LEMON Manuals: Even more car manuals for everyone: 1960-2025
Home >> Infiniti >> 2005 >> QX56 RWD >> Repair and Diagnosis >> Engine Performance >> Engine Control System >> ICC Brake Switch >> Wiring Diagram
April 5, 2026: LEMON Manuals is launched! Read the announcement.

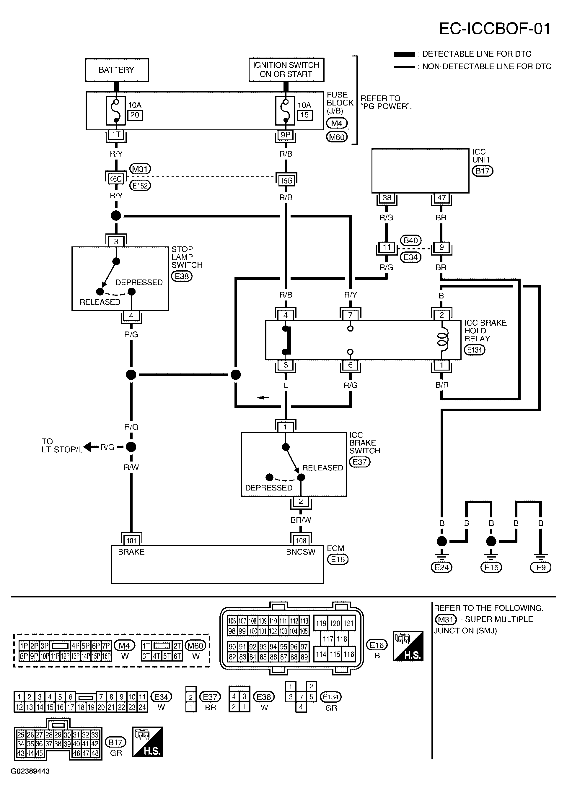
ICC Brake Switch: Wiring Diagram

Fig 1: Wiring Diagram - EC-ICCBOF-01
G02389443Courtesy of NISSAN MOTOR CO., U.S.A.

Specification data are reference values and are measured between each terminal and ground.

CAUTION: Do not use ECM ground terminals when measuring input/output voltage. Doing so may result in damage to the ECM's transistor. Use a ground other than ECM terminals, such as the ground.
Fig 2: ICC Brake Switch Specification Data And Reference Values
G02389444Courtesy of NISSAN MOTOR CO., U.S.A.