LEMON Manuals: Even more car manuals for everyone: 1960-2025
Home >> Infiniti >> 2008 >> EX35 Base, AWD >> Repair and Diagnosis >> Engine Performance >> Engine Control Systems >> Engine Control System - Component Testing >> Ecu Diagnosis >> ECM >> Wiring Diagram - ENGINE CONTROL SYSTEM -
April 5, 2026: LEMON Manuals is launched! Read the announcement.

Wiring Diagram - ENGINE CONTROL SYSTEM -

Fig 1: Engine Control System - Wiring Diagram (1 Of 5)
G05726653Courtesy of NISSAN MOTOR CO., U.S.A.
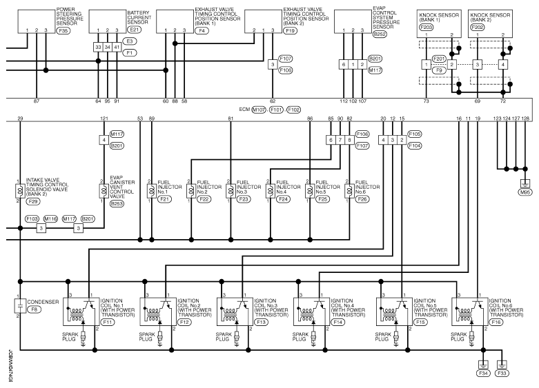
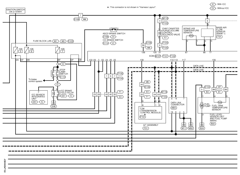
Fig 2: Engine Control System - Wiring Diagram (2 Of 5)
G05726654Courtesy of NISSAN MOTOR CO., U.S.A.
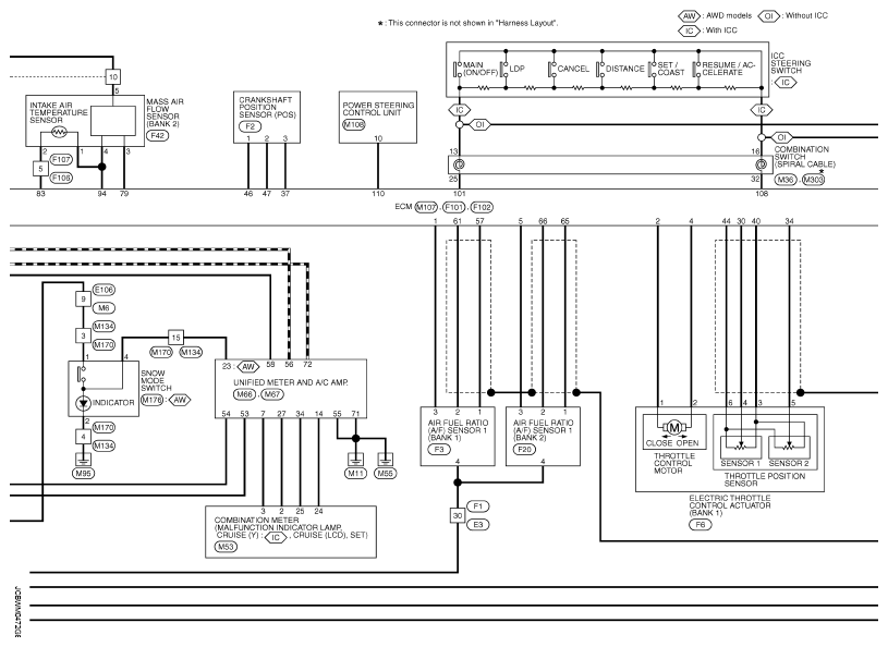
Fig 3: Engine Control System - Wiring Diagram (3 Of 5)
G05726655Courtesy of NISSAN MOTOR CO., U.S.A.
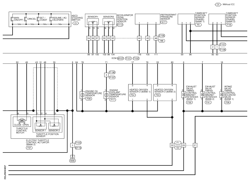
Fig 4: Engine Control System - Wiring Diagram (4 Of 5)
G05726656Courtesy of NISSAN MOTOR CO., U.S.A.
Fig 5: Engine Control System - Wiring Diagram (5 Of 5)
G05726657Courtesy of NISSAN MOTOR CO., U.S.A.
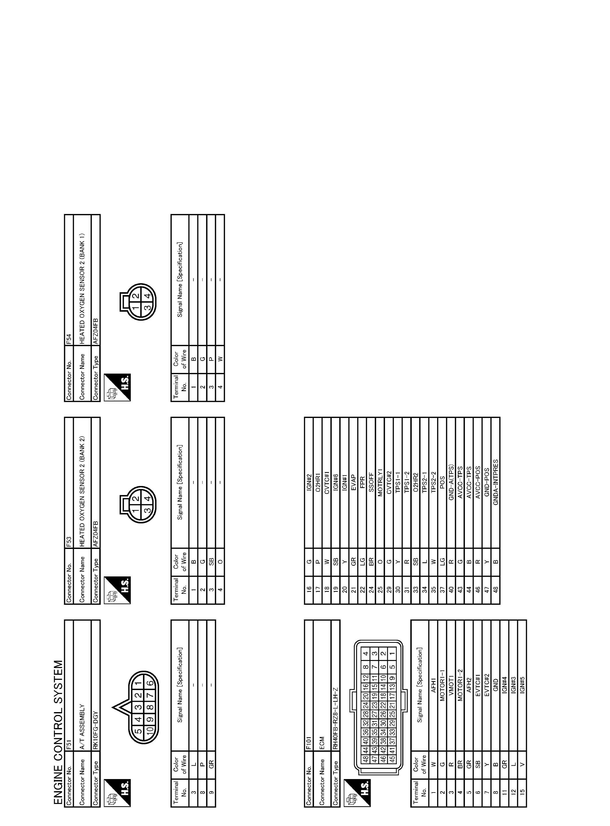
Fig 6: Identifying Engine Control System Connector Terminals (1 Of 13)
G05726658Courtesy of NISSAN MOTOR CO., U.S.A.
Fig 7: Identifying Engine Control System Connector Terminals (2 Of 13)
G05726659Courtesy of NISSAN MOTOR CO., U.S.A.
Fig 8: Identifying Engine Control System Connector Terminals (3 Of 13)
G05726660Courtesy of NISSAN MOTOR CO., U.S.A.
Fig 9: Identifying Engine Control System Connector Terminals (4 Of 13)
G05726661Courtesy of NISSAN MOTOR CO., U.S.A.
Fig 10: Identifying Engine Control System Connector Terminals (5 Of 13)
G05726662Courtesy of NISSAN MOTOR CO., U.S.A.
Fig 11: Identifying Engine Control System Connector Terminals (6 Of 13)
G05726663Courtesy of NISSAN MOTOR CO., U.S.A.
Fig 12: Identifying Engine Control System Connector Terminals (7 Of 13)
G05726664Courtesy of NISSAN MOTOR CO., U.S.A.
Fig 13: Identifying Engine Control System Connector Terminals (8 Of 13)
G05726665Courtesy of NISSAN MOTOR CO., U.S.A.
Fig 14: Identifying Engine Control System Connector Terminals (9 Of 13)
G05726666Courtesy of NISSAN MOTOR CO., U.S.A.
Fig 15: Identifying Engine Control System Connector Terminals (10 Of 13)
G05726667Courtesy of NISSAN MOTOR CO., U.S.A.
Fig 16: Identifying Engine Control System Connector Terminals (11 Of 13)
G05726668Courtesy of NISSAN MOTOR CO., U.S.A.
Fig 17: Identifying Engine Control System Connector Terminals (12 Of 13)
G05726669Courtesy of NISSAN MOTOR CO., U.S.A.
Fig 18: Identifying Engine Control System Connector Terminals (13 Of 13)
G05726670Courtesy of NISSAN MOTOR CO., U.S.A.