LEMON Manuals: Even more car manuals for everyone: 1960-2025
Home >> Infiniti >> 2008 >> FX35 RWD >> Repair and Diagnosis >> Engine Performance >> Engine Control Systems >> Engine Control System - Introduction (VQ35DE) >> Trouble Diagnosis >> Circuit Diagram
April 5, 2026: LEMON Manuals is launched! Read the announcement.

Circuit Diagram

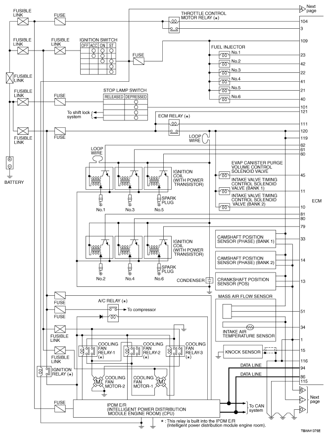
Fig 1: Engine Control System - Circuit Diagram (1 Of 2)
G05216254Courtesy of NISSAN MOTOR CO., U.S.A.
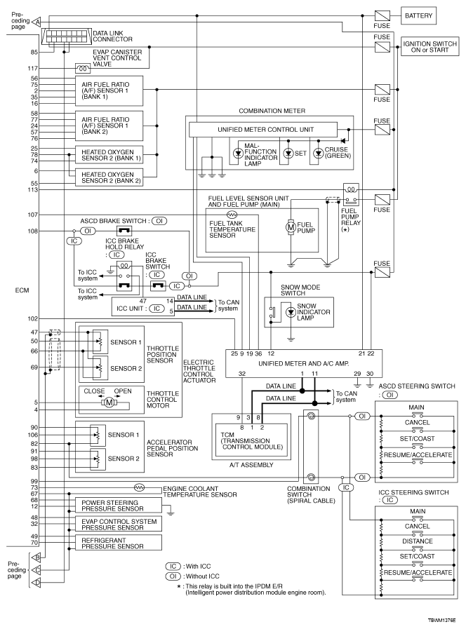
Fig 2: Engine Control System - Circuit Diagram (2 Of 2)
G05216255Courtesy of NISSAN MOTOR CO., U.S.A.