LEMON Manuals: Even more car manuals for everyone: 1960-2025
Home >> Infiniti >> 2008 >> FX45 >> Repair and Diagnosis >> Engine Performance >> Engine Control Systems >> Engine Control System (VK45DE) - DTC P1211 Through P2A03 >> DTC P2135 TP Sensor >> Wiring Diagram
April 5, 2026: LEMON Manuals is launched! Read the announcement.

DTC P2135 TP Sensor: Wiring Diagram

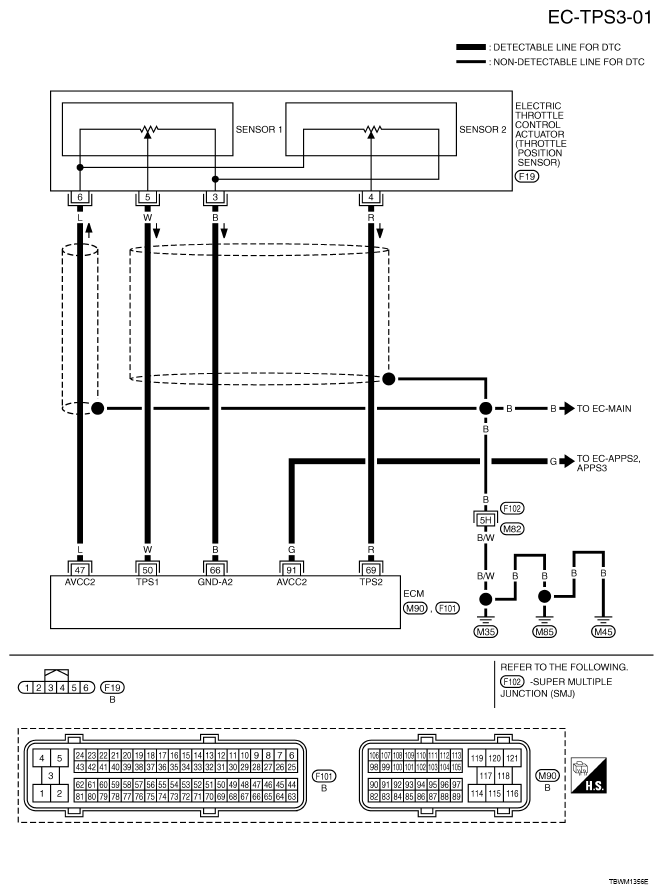
Fig 1: EC-TPS3-01 - Wiring Diagram
G05217750Courtesy of NISSAN MOTOR CO., U.S.A.

Specification data are reference values and are measured between each terminal and ground.

CAUTION: Do not use ECM ground terminals when measuring input/output voltage. Doing so may result in damage to the ECM's transistor. Use a ground other than ECM terminals, such as the ground.
SPECIFICATION DATA

TERMINAL NO. WIRE COLOR ITEM CONDITION DATA (DC Voltage)
47 L Sensor power supply (Throttle position sensor) [Ignition switch: ON]  Approximately 5V
50 W Throttle position sensor 1 [Ignition switch: ON] 
  • Engine stopped
  • Selector lever: D
  • Accelerator pedal: Fully released
More than 0.36V
[Ignition switch: ON] 
  • Engine stopped
  • Selector lever: D
  • Accelerator pedal: Fully depressed
Less than 4.75V
66 B Sensor ground (Throttle position sensor) [Engine is running] 
  • Warm-up condition 
  • Idle speed
Approximately 0V
69 R Throttle position sensor 2 [Ignition switch: ON] 
  • Engine stopped
  • Selector lever: D
  • Accelerator pedal: Fully released
Less than 4.75V
[Ignition switch: ON] 
  • Engine stopped
  • Selector lever: D
  • Accelerator pedal: Fully depressed
More than 0.36V
91 G Sensor power supply (APP sensor 2) [Ignition switch: ON]  Approximately 5V