LEMON Manuals: Even more car manuals for everyone: 1960-2025
Home >> Infiniti >> 2008 >> G35 Base >> Repair and Diagnosis (Single Page) >> External Pages >> Different car >> Section 17 (Security Control System) >> Ecu Diagnosis >> Intelligent Key Unit >> Wiring Diagram - INTELLIGENT KEY SYSTEM/ENGINE START FUNCTION -
April 5, 2026: LEMON Manuals is launched! Read the announcement.

Wiring Diagram - INTELLIGENT KEY SYSTEM/ENGINE START FUNCTION -

WARNING: This page is about a different car, the 2008 Infiniti QX56. However, it is still accessible from the selected car via links, so may be relevant.
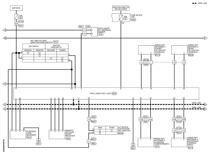
Fig 1: Intelligent Key System/Engine Start Function - Wiring Diagram (1 Of 3)
G05742390
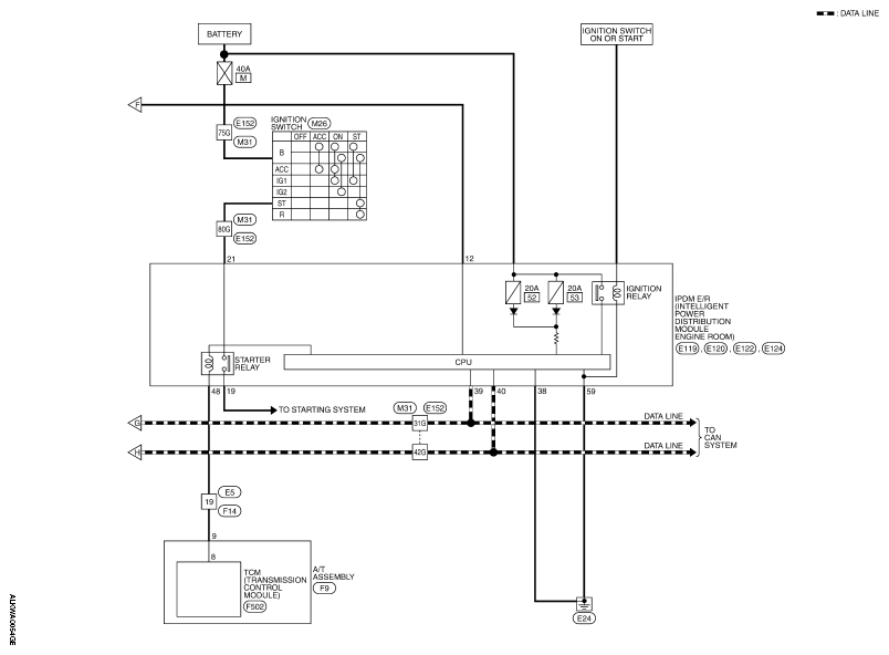
Fig 2: Intelligent Key System/Engine Start Function - Wiring Diagram (2 Of 3)
G05382236
Fig 3: Intelligent Key System/Engine Start Function - Wiring Diagram (3 Of 3)
G05382237
Fig 4: Identifying Intelligent Key System/Engine Start Function Connector Terminal (1 Of 9)
G05382238
Fig 5: Identifying Intelligent Key System/Engine Start Function Connector Terminal (2 Of 9)
G05742394
Fig 6: Identifying Intelligent Key System/Engine Start Function Connector Terminal (3 Of 9)
G05382240
Fig 7: Identifying Intelligent Key System/Engine Start Function Connector Terminal (4 Of 9)
G05382241
Fig 8: Identifying Intelligent Key System/Engine Start Function Connector Terminal (5 Of 9)
G05382242
Fig 9: Identifying Intelligent Key System/Engine Start Function Connector Terminal (6 Of 9)
G05382243
Fig 10: Identifying Intelligent Key System/Engine Start Function Connector Terminal (7 Of 9)
G05382244
Fig 11: Identifying Intelligent Key System/Engine Start Function Connector Terminal (8 Of 9)
G05382245
Fig 12: Identifying Intelligent Key System/Engine Start Function Connector Terminal (9 Of 9)
G05382246