LEMON Manuals: Even more car manuals for everyone: 1960-2025
Home >> Infiniti >> 2008 >> G35 x >> Repair and Diagnosis (Single Page) >> Accessories & Equipment >> Entertainment Systems >> Audio, Visual & Navigation System >> Base Audio With Navigation >> Function Diagnosis >> Diagnosis System (Av Control Unit) >> Diagnosis Description >> Self-Diagnosis Mode
April 5, 2026: LEMON Manuals is launched! Read the announcement.

Self-Diagnosis Mode

  1. Start the self-diagnosis function and select "Self Diagnosis".
    • Self-diagnosis subdivision screen is displayed, and the self-diagnosis mode starts.
    • The bar graph visible on the center of the self-diagnosis subdivision screen indicates progress of the trouble diagnosis.
    Fig 1: System Diagnostic Menu Display - Running Self-Diagnosis
    G05220200Courtesy of NISSAN MOTOR CO., U.S.A.
  2. Diagnosis results are displayed after the self-diagnosis is completed. The unit names and the connection lines are color-coded according to the diagnostic results.

    Diagnosis results Unit Connection line 

    Normal Green Green 

    Connection malfunction Gray Yellow 

    Unit malfunction Note  Red Green 

    NOTE:
    • Only the control unit (AV control unit) is displayed in red.
    • Replace AV control unit if "Self-Diagnosis did not run because of a control unit malfunction" is indicated. The symptom is AV control unit internal error. Refer to "EXPLODED VIEW ".
    • If multiple errors occur at the same time for a single unit, the screen switch colors are determined according to the following order of priority: red > gray.
      Fig 2: Multi AV System Screen Display - Diagnostic Results
      G05724239Courtesy of NISSAN MOTOR CO., U.S.A.
    • The comments of the self-diagnosis results can be viewed with a component in the diagnosis result screen.
    Fig 3: System Diagnostic Menu Display - Error Information
    G05220202Courtesy of NISSAN MOTOR CO., U.S.A.

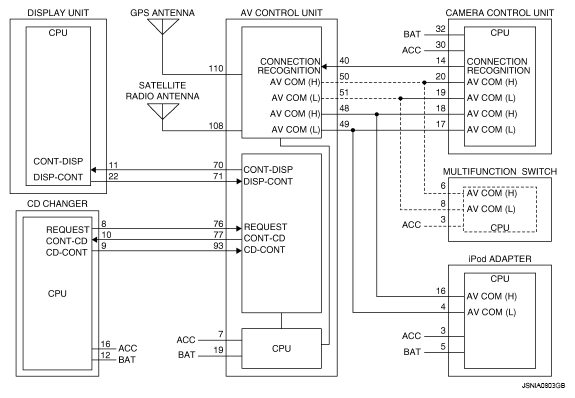
    Detection range of self-diagnosis mode

    • The self-diagnosis mode allows the technician to diagnose the connection in the communication line between AV control unit and each unit and the internal operation of the AV control unit.
    • Because the start condition of diagnosis function is a switch operation, the on board diagnosis function cannot be started up if any malfunction is detected in the communication circuit between AV control unit and multifunction switch.
    Fig 4: AV Control Unit And Multifunction Switch - Communication Circuit Diagram
    G05724241Courtesy of NISSAN MOTOR CO., U.S.A.
    NOTE: Onboard self-diagnosis cannot be started when an error occurs on the dotted-line part above.