LEMON Manuals: Even more car manuals for everyone: 1960-2025
Home >> Infiniti >> 2008 >> G35 x >> Repair and Diagnosis (Single Page) >> Accessories & Equipment >> Entertainment Systems >> Audio, Visual & Navigation System >> Base Audio Without Navigation >> Function Diagnosis >> Diagnosis System (Av Control Unit) >> CONSULT - III Function (MULTI AV) >> Self Diagnosis Result
April 5, 2026: LEMON Manuals is launched! Read the announcement.

Self Diagnosis Result

The counter increases by 1 if the condition is normal at the next ignition switch ON cycle.

Self-diagnosis detection range 

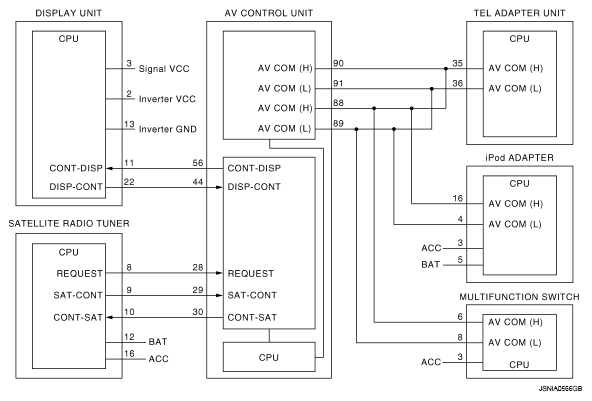
Fig 1: AV Control Unit Circuit Diagram
G05723995Courtesy of NISSAN MOTOR CO., U.S.A.

Self-diagnosis results display item 

ERROR ITEM DESCRIPTION CHART

Error item Description Possible malfunction factor/Action to take
CAN COMM CIRCUIT [U1000] CAN communication malfunction is detected. Perform diagnosis with CONSULT-III, and then repair the malfunctioning parts according to the diagnosis results.
refer to "DIAGNOSIS PROCEDURE ".
CONTROL UNIT (CAN) [U1010] CAN initial diagnosis malfunction is detected. Replace the AV control unit
CONTROL UNIT (AV) [U1310] AV communication circuit initial diagnosis malfunction is detected.
Control Unit FLASH-ROM [U1200] AV control unit malfunction is detected.
CAN CONT [U1216]
FRONT DISP CONN [U1243]
  • Display unit power supply and ground circuit malfunction is detected.
  • Malfunction is detected in communication circuit between AV control unit and display unit.
  • Malfunction is detected in communication signal between AV control unit and display unit.
  • Display unit power supply and ground circuit.
  • Communication circuit between AV control unit and display unit.
SAT CONN [U1255]
  • Satellite radio tuner power supply and ground circuit malfunction is detected.
  • Malfunction is detected in communication signal between AV control unit and satellite radio tuner.
  • Malfunction is detected in communication circuit between AV control unit and satellite radio tuner.
  • Malfunction is detected in request signal circuit between AV control unit and satellite radio tuner.
  • Satellite radio tuner power supply and ground circuit.
  • Communication circuit between AV control unit and satellite radio tuner.
  • Request signal circuit between AV control unit and satellite radio tuner.
  • AV COMM CIRCUIT [U1300]
  • SWITCH CONN [U1240]
  • Multifunction switch power supply and ground circuit malfunction is detected.
  • Malfunction is detected in AV communication circuit between AV control unit and multifunction switch.
  • Malfunction is detected in AV communication signal between AV control unit and multifunction switch.
  • Multifunction switch power supply and ground circuit.
  • AV communication circuit between AV control unit and multifunction switch.
  • AV COMM CIRCUIT [U1300]
  • IPod CONN [U1254]
  • iPod adapter power supply and ground circuit malfunction is detected.
  • Malfunction is detected in AV communication circuit between AV control unit and iPod adapter.
  • Malfunction is detected in AV communication signal between AV control unit and iPod adapter.
  • iPod adapter power supply and ground circuit.
  • AV communication circuit between AV control unit and iPod adapter.
  • AV COMM CIRCUIT [U1300]
  • HAND FREE CONN [U1256]
  • TEL adapter unit power supply and ground circuit malfunction is detected.
  • Malfunction is detected in AV communication circuit between AV control unit and TEL adapter unit.
  • Malfunction is detected in AV communication signal between AV control unit and TEL adapter unit.
  • TEL adapter unit power supply and ground circuit.
  • AV communication circuit between TEL adapter unit and AV control unit.
  • AV COMM CIRCUIT [U1300]
  • SWITCH CONN [U1240]
  • IPod CONN [U1254]
  • HAND FREE CONN [U1256]
Malfunction is detected in AV communication circuit between AV control unit and the branch point multifunction switch and AV control unit. AV communication circuit between AV control unit and the branch point multifunction switch and AV control unit.