LEMON Manuals: Even more car manuals for everyone: 1960-2025
Home >> Infiniti >> 2008 >> G37 Base >> Repair and Diagnosis >> External Pages >> Different car >> Section 63 (Engine Control System - Introduction) >> Function Diagnosis >> Engine Control System >> System Diagram
April 5, 2026: LEMON Manuals is launched! Read the announcement.

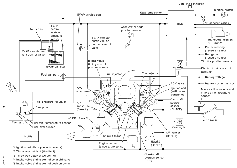
System Diagram

WARNING: This page is about a different car, the 2008 Nissan Titan. However, it is still accessible from the selected car via links, so may be relevant.
Fig 1: Engine Control System Diagram
G05709855Courtesy of NISSAN MOTOR CO., U.S.A.