LEMON Manuals: Even more car manuals for everyone: 1960-2025
Home >> Infiniti >> 2008 >> G37 Base >> Repair and Diagnosis >> Suspension >> Wheel Alignment >> Front Suspension >> On-Vehicle Repair >> Front Coil Spring And Shock Absorber >> Exploded View
April 5, 2026: LEMON Manuals is launched! Read the announcement.

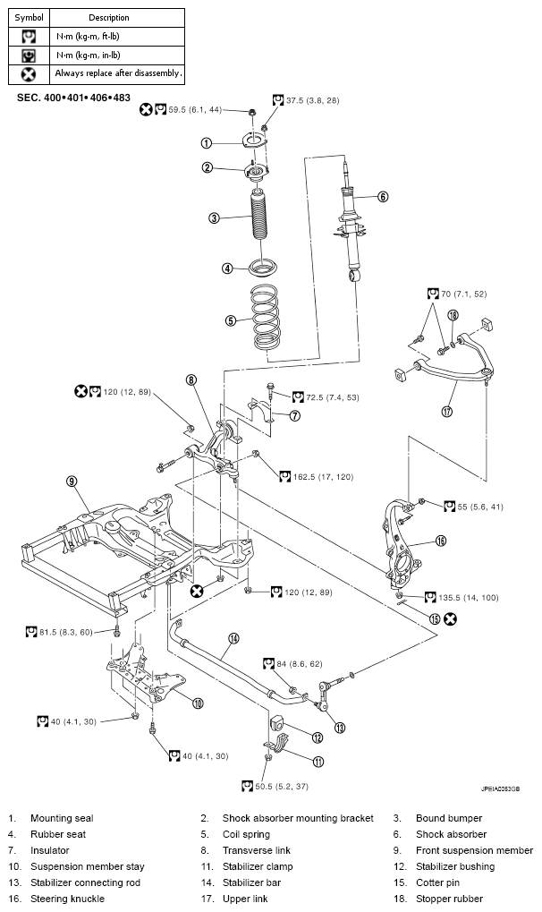
Exploded View

Fig 1: Exploded View Of Front Coil Spring And Shock Absorber With Torque Specifications
G05734822Courtesy of NISSAN MOTOR CO., U.S.A.