LEMON Manuals: Even more car manuals for everyone: 1960-2025
Home >> Infiniti >> 2008 >> M35 Base >> Repair and Diagnosis >> Engine Performance >> Engine Control Systems >> Engine Control System (VQ35DE) - Component And System Testing >> Snow Mode Switch >> Wiring Diagram
April 5, 2026: LEMON Manuals is launched! Read the announcement.

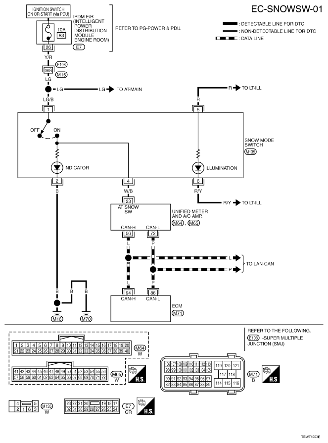
Snow Mode Switch: Wiring Diagram

For PG, go to POWER SUPPLY, GROUND & CIRCUIT ELEMENTS .

Fig 1: EC-SNOWSW-01 - Wiring Diagram
G05210255Courtesy of NISSAN MOTOR CO., U.S.A.