LEMON Manuals: Even more car manuals for everyone: 1960-2025
Home >> Infiniti >> 2008 >> M35 Base >> Repair and Diagnosis >> Engine Performance >> Engine Control Systems >> Engine Control System (VQ35DE) - Introduction >> Trouble Diagnosis >> Circuit Diagram
April 5, 2026: LEMON Manuals is launched! Read the announcement.

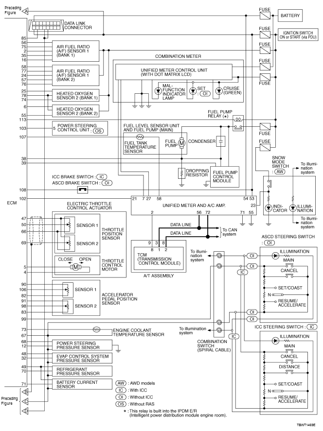
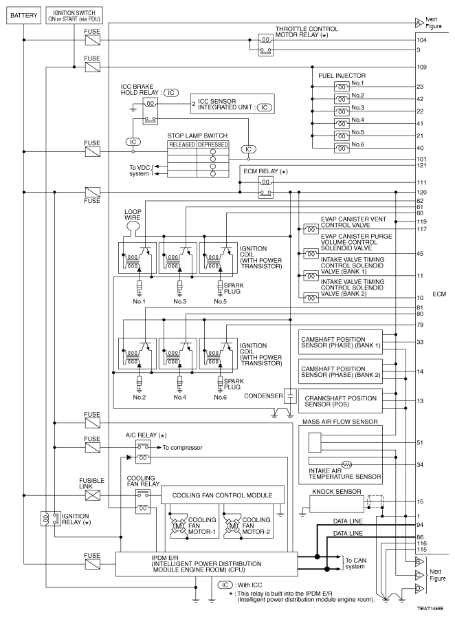
Circuit Diagram

Fig 1: Engine Control System - Circuit Diagram (1 Of 2)
G05209480Courtesy of NISSAN MOTOR CO., U.S.A.
Fig 2: Engine Control System - Circuit Diagram (2 Of 2)
G05209481Courtesy of NISSAN MOTOR CO., U.S.A.