LEMON Manuals: Even more car manuals for everyone: 1960-2025
Home >> Infiniti >> 2008 >> M45 Base >> Repair and Diagnosis >> Accessories & Equipment >> Communication Devices >> Body Control System >> BCM (Body Control Module) >> Schematic
April 5, 2026: LEMON Manuals is launched! Read the announcement.

BCM (Body Control Module): Schematic

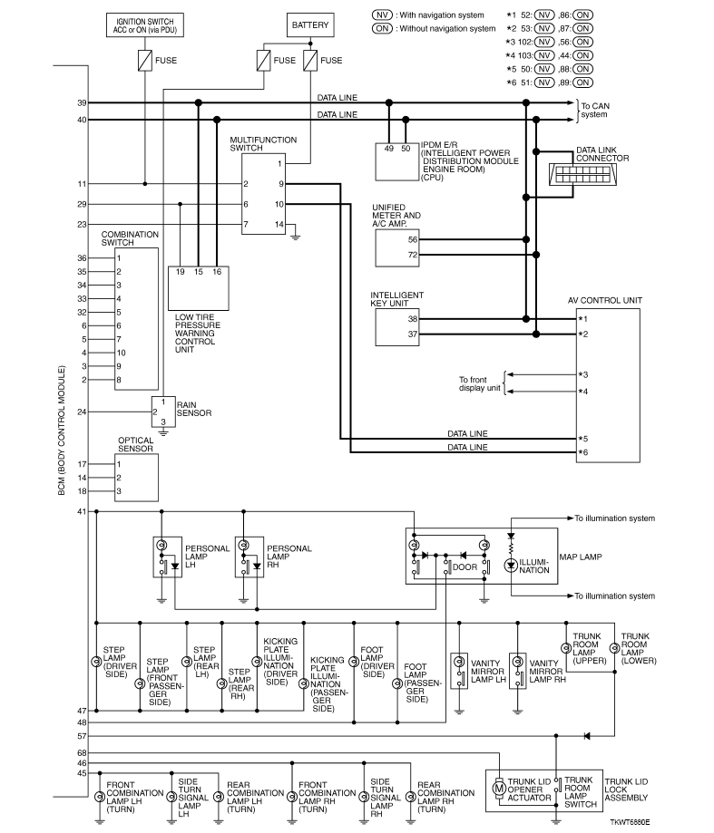
Fig 1: Body Control Module Schematic Diagram (1 Of 2)
G05214386Courtesy of NISSAN MOTOR CO., U.S.A.
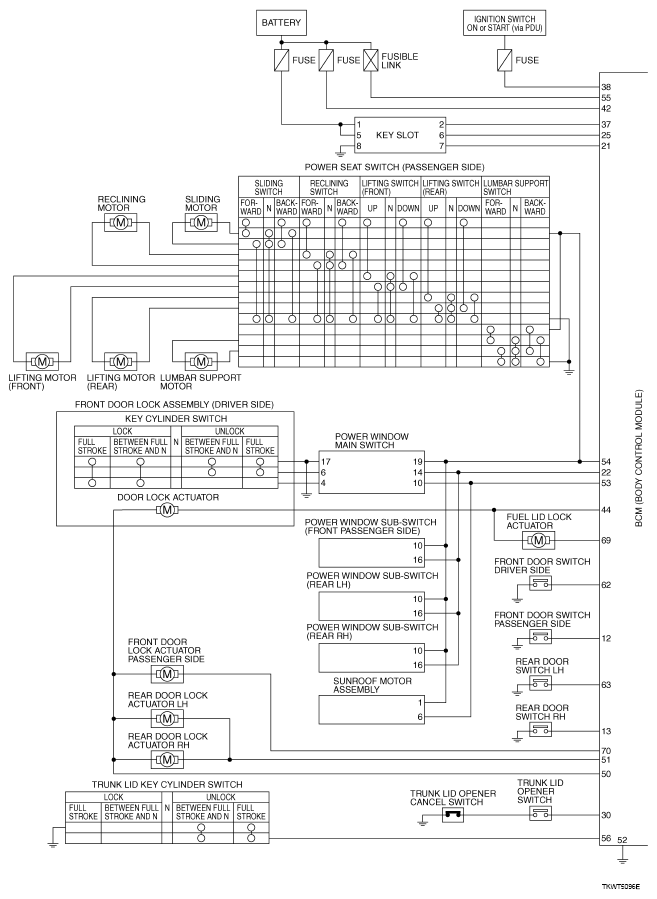
Fig 2: Body Control Module Schematic Diagram (2 Of 2)
G00469371Courtesy of NISSAN MOTOR CO., U.S.A.