LEMON Manuals: Even more car manuals for everyone: 1960-2025
Home >> Infiniti >> 2008 >> M45 Base >> Repair and Diagnosis >> Body & Frame >> Seats >> Automatic Drive Positioner >> Schematic
April 5, 2026: LEMON Manuals is launched! Read the announcement.

Automatic Drive Positioner: Schematic

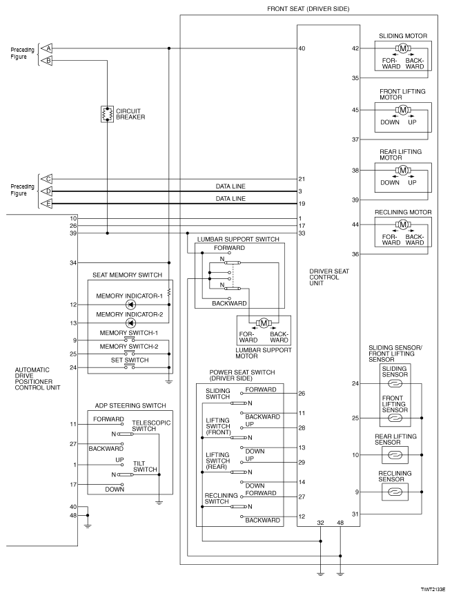
Fig 1: Automatic Drive Positioner - Schematic Diagram (1 Of 2)
G05212873Courtesy of NISSAN MOTOR CO., U.S.A.
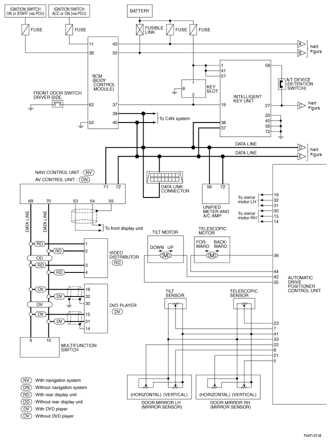
Fig 2: Automatic Drive Positioner - Schematic Diagram (2 Of 2)
G05212874Courtesy of NISSAN MOTOR CO., U.S.A.