LEMON Manuals: Even more car manuals for everyone: 1960-2025
Home >> Infiniti >> 2008 >> M45 x >> Repair and Diagnosis >> Engine Performance >> Engine Control Systems >> Engine Control System (VK45DE) - Introduction >> Trouble Diagnosis >> Circuit Diagram
April 5, 2026: LEMON Manuals is launched! Read the announcement.

Circuit Diagram

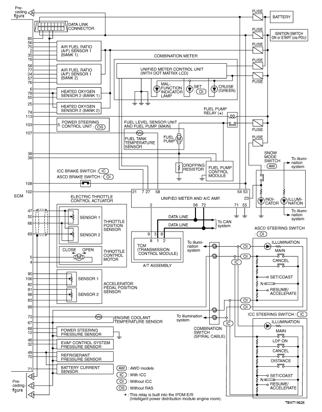
Fig 1: Vacuum Control System Circuit Diagram (1 Of 2)
G00479670Courtesy of NISSAN MOTOR CO., U.S.A.
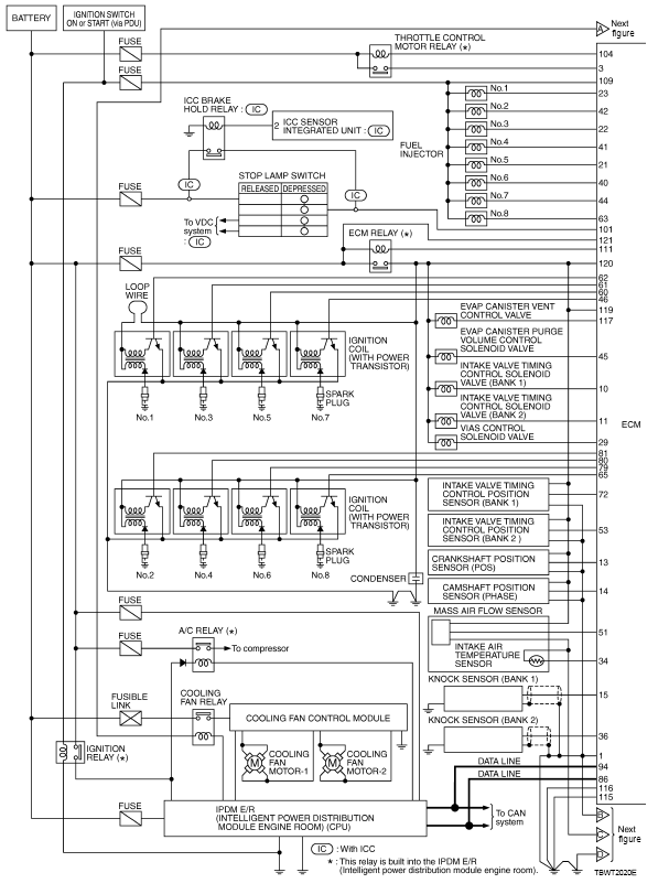
Fig 2: Vacuum Control System Circuit Diagram (2 Of 2)
G00479671Courtesy of NISSAN MOTOR CO., U.S.A.