LEMON Manuals: Even more car manuals for everyone: 1960-2025
Home >> Infiniti >> 2008 >> QX56 AWD >> Repair and Diagnosis >> Engine Performance >> Engine Control Systems >> Engine Control System - Introduction >> Function Diagnosis >> Evaporative Emission System >> Description >> Evaporative Emission Line Drawing
April 5, 2026: LEMON Manuals is launched! Read the announcement.

Evaporative Emission Line Drawing

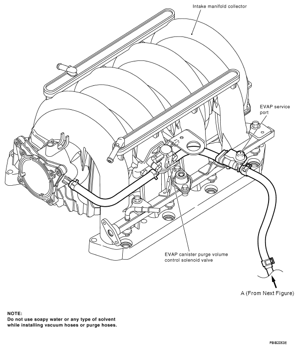
Fig 1: Identifying Evaporative Emission Components (1 Of 2)
G05739293Courtesy of NISSAN MOTOR CO., U.S.A.
Fig 2: Identifying Evaporative Emission Components (2 Of 2)
G05739294Courtesy of NISSAN MOTOR CO., U.S.A.