LEMON Manuals: Even more car manuals for everyone: 1960-2025
Home >> Infiniti >> 2009 >> G37 Base, 2D Convertible >> Repair and Diagnosis (Single Page) >> Accessories & Equipment >> Entertainment Systems >> Audio, Visual & Navigation System (Base Without Navigation) -- Convertible >> Ecu Diagnosis Information >> Camera Control Unit >> Wiring Diagram - BASE AUDIO WITHOUT NAVIGATION SYSTEM -
April 5, 2026: LEMON Manuals is launched! Read the announcement.

Wiring Diagram - BASE AUDIO WITHOUT NAVIGATION SYSTEM -

NOTE: The name MULTIFUNCTION SWITCH indicates the integration of PRESET SWITCH and MULTIFUNCTION SWITCH virtually.
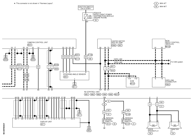
Fig 1: Base Audio Without Navigation System - Wiring Diagram (1 Of 3)
G05975446Courtesy of NISSAN MOTOR CO., U.S.A.
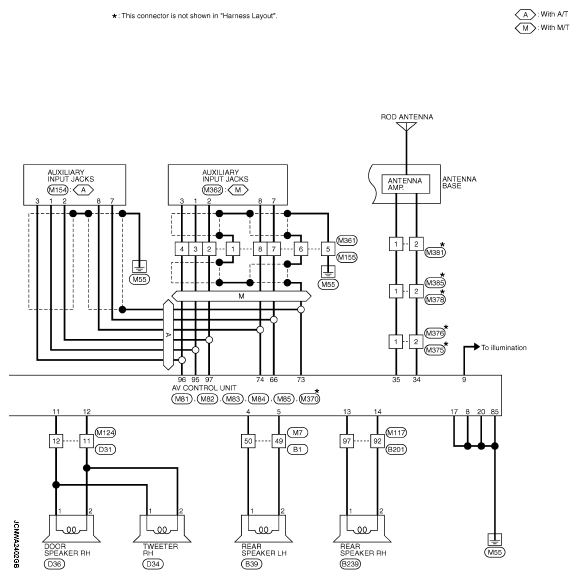
Fig 2: Base Audio Without Navigation System - Wiring Diagram (2 Of 3)
G05975447Courtesy of NISSAN MOTOR CO., U.S.A.
Fig 3: Base Audio Without Navigation System - Wiring Diagram (3 Of 3)
G05975448Courtesy of NISSAN MOTOR CO., U.S.A.
Fig 4: Identifying Base Audio Without Navigation System Connectors (1 Of 10)
G05975449Courtesy of NISSAN MOTOR CO., U.S.A.
Fig 5: Identifying Base Audio Without Navigation System Connectors (2 Of 10)
G05975450Courtesy of NISSAN MOTOR CO., U.S.A.
Fig 6: Identifying Base Audio Without Navigation System Connectors (3 Of 10)
G05975451Courtesy of NISSAN MOTOR CO., U.S.A.
Fig 7: Identifying Base Audio Without Navigation System Connectors (4 Of 10)
G05975452Courtesy of NISSAN MOTOR CO., U.S.A.
Fig 8: Identifying Base Audio Without Navigation System Connectors (5 Of 10)
G05975453Courtesy of NISSAN MOTOR CO., U.S.A.
Fig 9: Identifying Base Audio Without Navigation System Connectors (6 Of 10)
G05975454Courtesy of NISSAN MOTOR CO., U.S.A.
Fig 10: Identifying Base Audio Without Navigation System Connectors (7 Of 10)
G05975455Courtesy of NISSAN MOTOR CO., U.S.A.
Fig 11: Identifying Base Audio Without Navigation System Connectors (8 Of 10)
G05975456Courtesy of NISSAN MOTOR CO., U.S.A.
Fig 12: Identifying Base Audio Without Navigation System Connectors (9 Of 10)
G05975457Courtesy of NISSAN MOTOR CO., U.S.A.
Fig 13: Identifying Base Audio Without Navigation System Connectors (10 Of 10)
G05975458Courtesy of NISSAN MOTOR CO., U.S.A.