LEMON Manuals: Even more car manuals for everyone: 1960-2025
Home >> Infiniti >> 2009 >> G37 Base, 4D Sedan >> Repair and Diagnosis >> External Pages >> Different variant/trim >> Section 32 (Security Control System -- Convertible) >> Ecu Diagnosis Information >> BCM (Body Control Module) >> Wiring Diagram - BCM -
April 5, 2026: LEMON Manuals is launched! Read the announcement.

Wiring Diagram - BCM -

WARNING: This page is about a different variant/trim than selected.
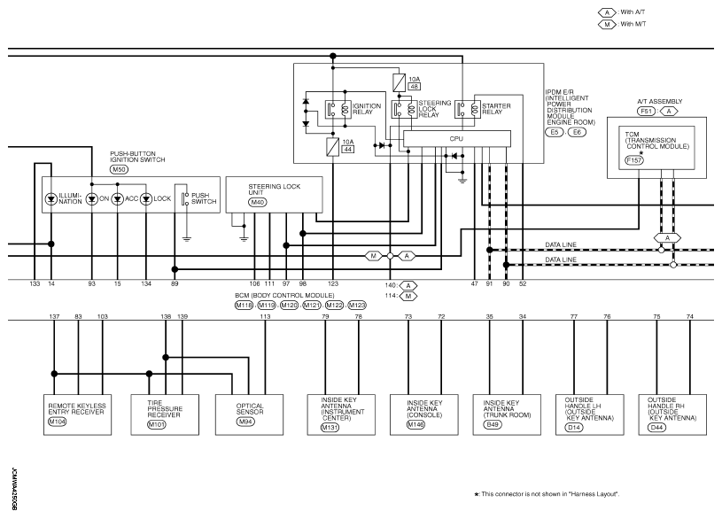
Fig 1: BCM - Wiring Diagram (1 Of 4)
G05975112Courtesy of NISSAN MOTOR CO., U.S.A.
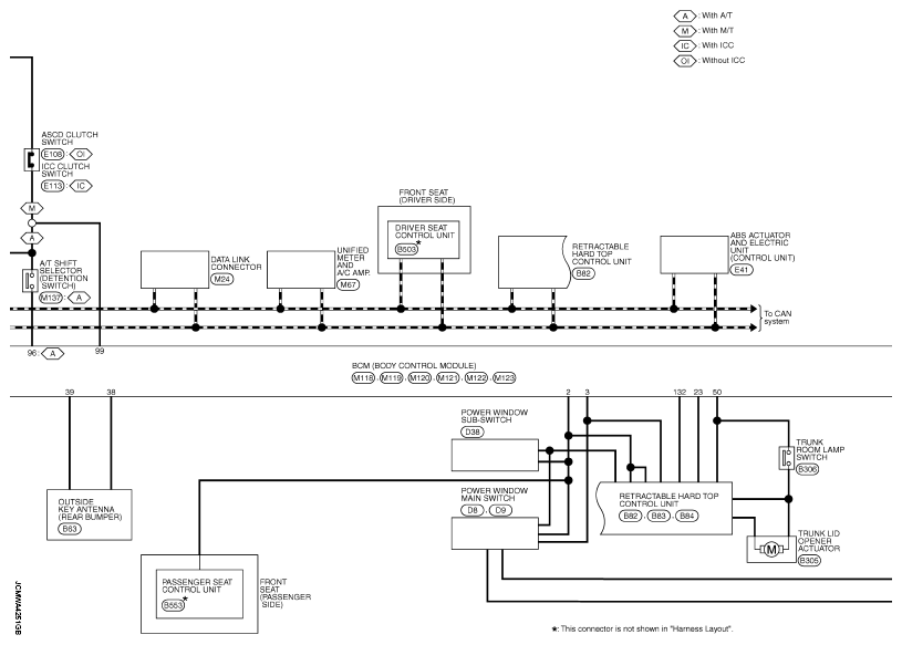
Fig 2: BCM - Wiring Diagram (2 Of 4)
G05975113Courtesy of NISSAN MOTOR CO., U.S.A.
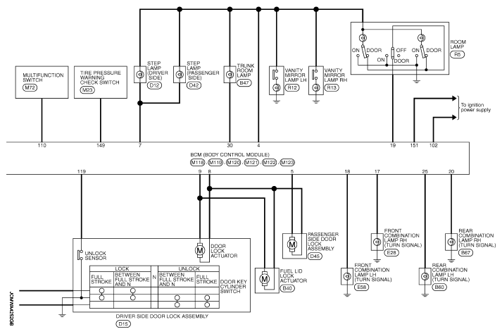
Fig 3: BCM - Wiring Diagram (3 Of 4)
G05975114Courtesy of NISSAN MOTOR CO., U.S.A.
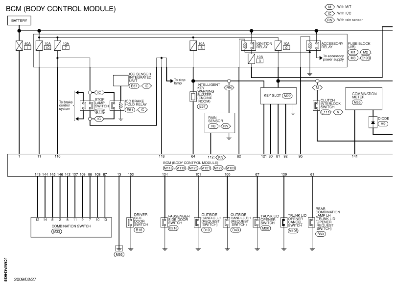
Fig 4: BCM - Wiring Diagram (4 Of 4)
G05975115Courtesy of NISSAN MOTOR CO., U.S.A.
Fig 5: Identifying Body Control Module Connector Terminal (1 Of 2)
G05975116Courtesy of NISSAN MOTOR CO., U.S.A.
Fig 6: Identifying Body Control Module Connector Terminal (2 Of 2)
G05975117Courtesy of NISSAN MOTOR CO., U.S.A.