LEMON Manuals: Even more car manuals for everyone: 1960-2025
Home >> Infiniti >> 2009 >> M35 Base >> Repair and Diagnosis >> Body & Frame >> Seats >> Service Information >> Automatic Drive Positioner >> Schematic
April 5, 2026: LEMON Manuals is launched! Read the announcement.

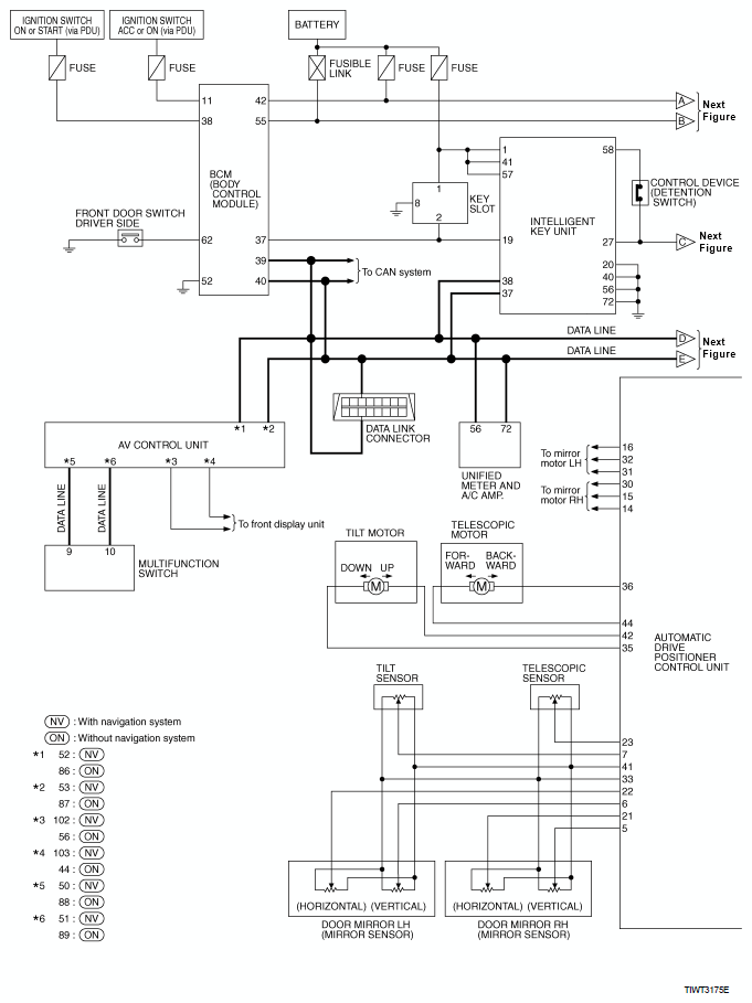
Automatic Drive Positioner: Schematic

Fig 1: Automatic Drive Positioner Schematic Diagram (1 Of 2)
G06308143Courtesy of NISSAN MOTOR CO., U.S.A.
Fig 2: Automatic Drive Positioner Schematic Diagram (2 Of 2)
G05212874Courtesy of NISSAN MOTOR CO., U.S.A.