LEMON Manuals: Even more car manuals for everyone: 1960-2025
Home >> Infiniti >> 2009 >> M35 Base >> Repair and Diagnosis >> External Pages >> Different car >> Section 118 (Body, Lock & Security System) >> Vehicle Security (Theft Warning) System >> Schematic
April 5, 2026: LEMON Manuals is launched! Read the announcement.

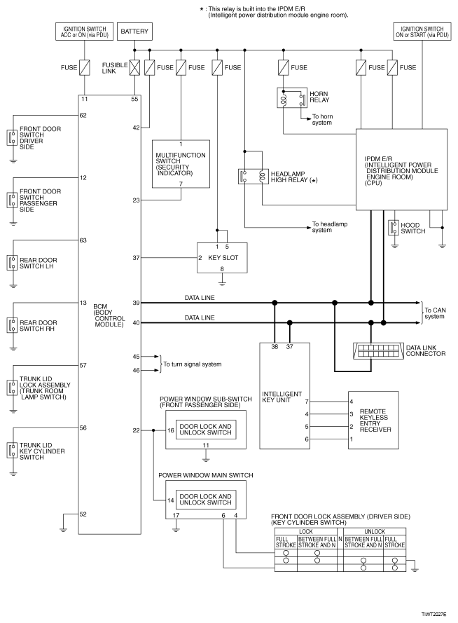
Vehicle Security (Theft Warning) System: Schematic

WARNING: This page is about a different car, the 2008 Infiniti M45 and 2008 Infiniti M35. However, it is still accessible from the selected car via links, so may be relevant.
Fig 1: Vehicle Security (Theft Warning) System - Schematic Diagram
G05212424Courtesy of NISSAN MOTOR CO., U.S.A.