LEMON Manuals: Even more car manuals for everyone: 1960-2025
Home >> Infiniti >> 2009 >> M35 Base >> Repair and Diagnosis >> External Pages >> Different car >> Section 160 (Audio, Visual & Navigation System) >> With Mobile Entertainment System >> Ecu Diagnosis >> Av Control Unit >> Wiring Diagram - AV - / BOSE Audio 2ch System
April 5, 2026: LEMON Manuals is launched! Read the announcement.

Wiring Diagram - AV - / BOSE Audio 2ch System

WARNING: This page is about a different car, the 2008 Infiniti M45 and 2008 Infiniti M35. However, it is still accessible from the selected car via links, so may be relevant.
NOTE: The name MULTIFUNCTION SWITCH indicates the integration of PRESET SWITCH and MULTIFUNCTION SWITCH virtually.
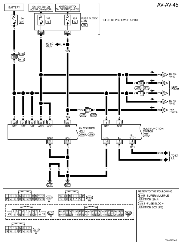
Fig 1: Identifying AV - / BOSE Audio 2ch System - Wiring Diagram (AV-AV-45)
G05722660Courtesy of NISSAN MOTOR CO., U.S.A.
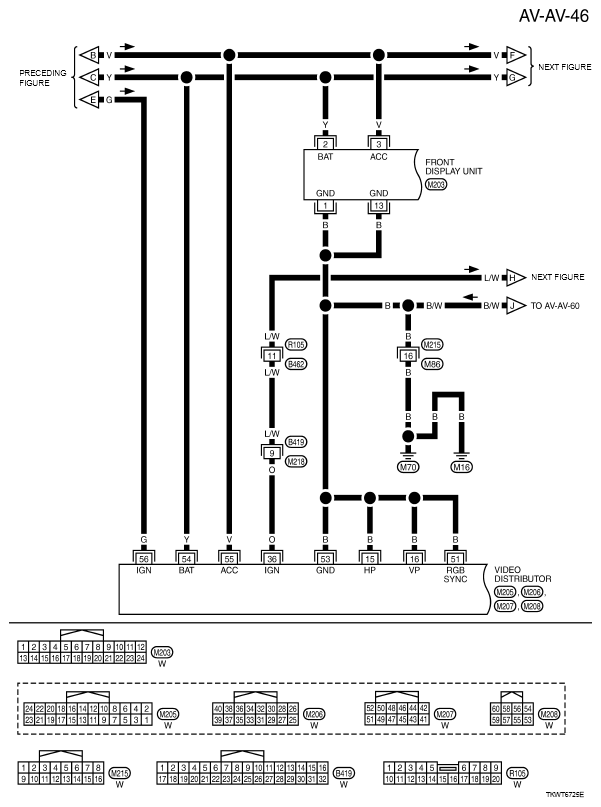
Fig 2: Identifying AV - / BOSE Audio 2ch System - Wiring Diagram (AV-AV-46)
G05722661Courtesy of NISSAN MOTOR CO., U.S.A.
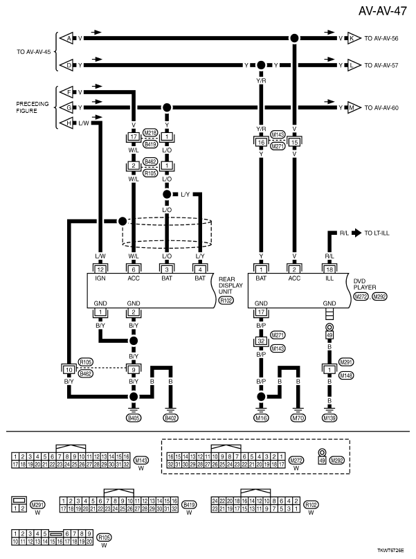
Fig 3: Identifying AV - / BOSE Audio 2ch System - Wiring Diagram (AV-AV-47)
G05722662Courtesy of NISSAN MOTOR CO., U.S.A.
Fig 4: Identifying AV - / BOSE Audio 2ch System - Wiring Diagram (AV-AV-48)
G05722663Courtesy of NISSAN MOTOR CO., U.S.A.
Fig 5: Identifying AV - / BOSE Audio 2ch System - Wiring Diagram (AV-AV-49)
G05722664Courtesy of NISSAN MOTOR CO., U.S.A.
Fig 6: Identifying AV - / BOSE Audio 2ch System - Wiring Diagram (AV-AV-50)
G05722665Courtesy of NISSAN MOTOR CO., U.S.A.
Fig 7: Identifying AV - / BOSE Audio 2ch System - Wiring Diagram (AV-AV-51)
G05722666Courtesy of NISSAN MOTOR CO., U.S.A.
Fig 8: Identifying AV - / BOSE Audio 2ch System - Wiring Diagram (AV-AV-52)
G05722667Courtesy of NISSAN MOTOR CO., U.S.A.
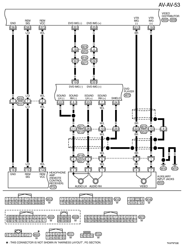
Fig 9: Identifying AV - / BOSE Audio 2ch System - Wiring Diagram (AV-AV-53)
G05722668Courtesy of NISSAN MOTOR CO., U.S.A.
Fig 10: Identifying AV - / BOSE Audio 2ch System - Wiring Diagram (AV-AV-54)
G05722669Courtesy of NISSAN MOTOR CO., U.S.A.
Fig 11: Identifying AV - / BOSE Audio 2ch System - Wiring Diagram (AV-AV-55)
G05722670Courtesy of NISSAN MOTOR CO., U.S.A.
Fig 12: Identifying AV - / BOSE Audio 2ch System - Wiring Diagram (AV-AV-56)
G05722671Courtesy of NISSAN MOTOR CO., U.S.A.
Fig 13: Identifying AV - / BOSE Audio 2ch System - Wiring Diagram (AV-AV-57)
G05722672Courtesy of NISSAN MOTOR CO., U.S.A.
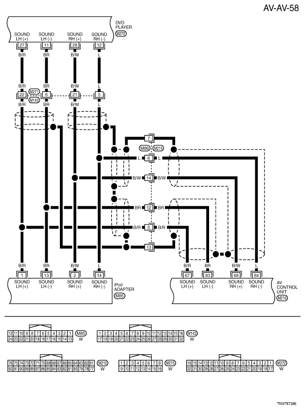
Fig 14: Identifying AV - / BOSE Audio 2ch System - Wiring Diagram (AV-AV-58)
G05722673Courtesy of NISSAN MOTOR CO., U.S.A.
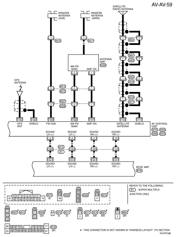
Fig 15: Identifying AV - / BOSE Audio 2ch System - Wiring Diagram (AV-AV-59)
G05722674Courtesy of NISSAN MOTOR CO., U.S.A.
Fig 16: Identifying AV - / BOSE Audio 2ch System - Wiring Diagram (AV-AV-60)
G05722675Courtesy of NISSAN MOTOR CO., U.S.A.
Fig 17: Identifying AV - / BOSE Audio 2ch System - Wiring Diagram (AV-AV-61)
G05722676Courtesy of NISSAN MOTOR CO., U.S.A.
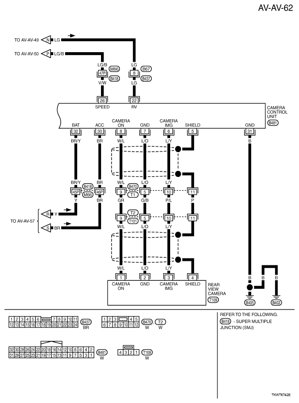
Fig 18: Identifying AV - / BOSE Audio 2ch System - Wiring Diagram (AV-AV-62)
G05722677Courtesy of NISSAN MOTOR CO., U.S.A.