LEMON Manuals: Even more car manuals for everyone: 1960-2025
Home >> Infiniti >> 2009 >> M35 Base >> Repair and Diagnosis >> External Pages >> Different car >> Section 160 (Audio, Visual & Navigation System) >> With Mobile Entertainment System >> Ecu Diagnosis >> Camera Control Unit >> Wiring Diagram - AV - / BOSE Audio 2ch System P
April 5, 2026: LEMON Manuals is launched! Read the announcement.

Wiring Diagram - AV - / BOSE Audio 2ch System P

WARNING: This page is about a different car, the 2008 Infiniti M45 and 2008 Infiniti M35. However, it is still accessible from the selected car via links, so may be relevant.
NOTE: The name MULTIFUNCTION SWITCH indicates the integration of PRESET SWITCH and MULTIFUNCTION SWITCH virtually.
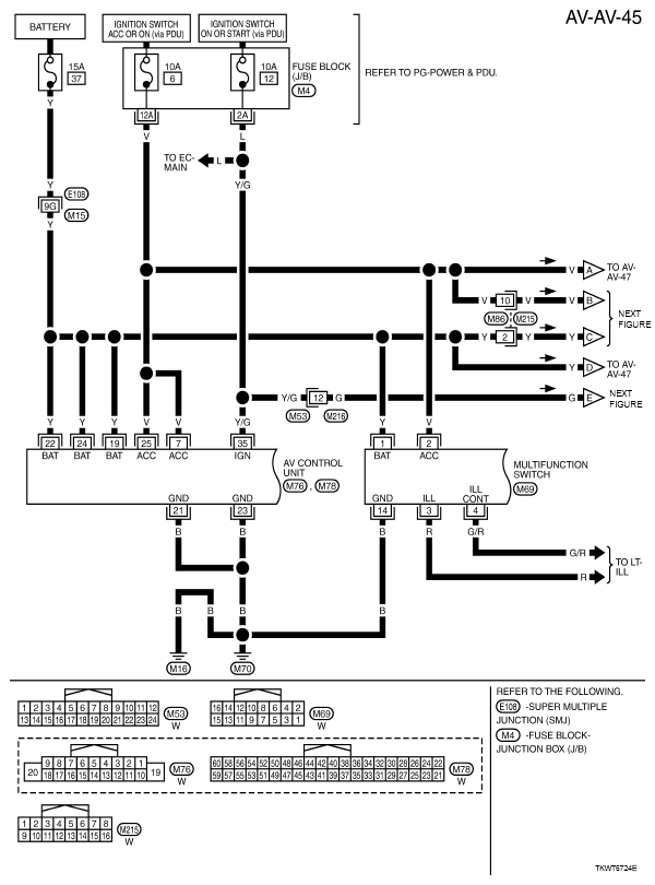
Fig 1: Identifying AV - / BOSE Audio 2ch System P - Wiring Diagram - AV-AV-45
G05723032Courtesy of NISSAN MOTOR CO., U.S.A.
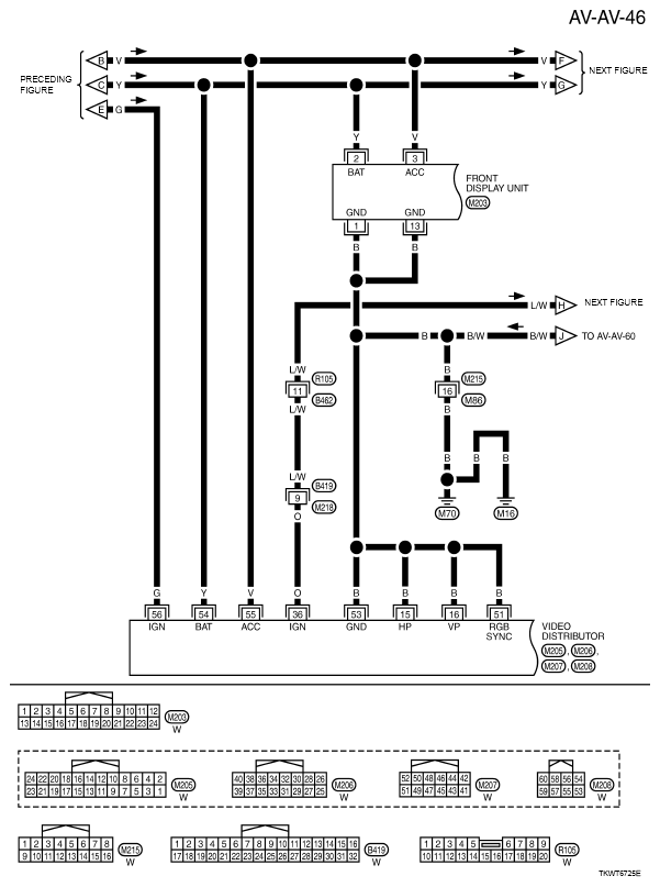
Fig 2: Identifying AV - / BOSE Audio 2ch System P - Wiring Diagram - AV-AV-46
G05723033Courtesy of NISSAN MOTOR CO., U.S.A.
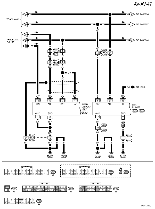
Fig 3: Identifying AV - / BOSE Audio 2ch System P - Wiring Diagram - AV-AV-47
G05723034Courtesy of NISSAN MOTOR CO., U.S.A.
Fig 4: Identifying AV - / BOSE Audio 2ch System P - Wiring Diagram - AV-AV-48
G05723035Courtesy of NISSAN MOTOR CO., U.S.A.
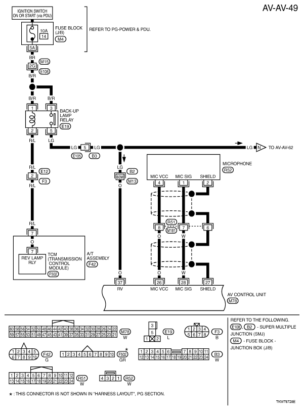
Fig 5: Identifying AV - / BOSE Audio 2ch System P - Wiring Diagram - AV-AV-49
G05723036Courtesy of NISSAN MOTOR CO., U.S.A.
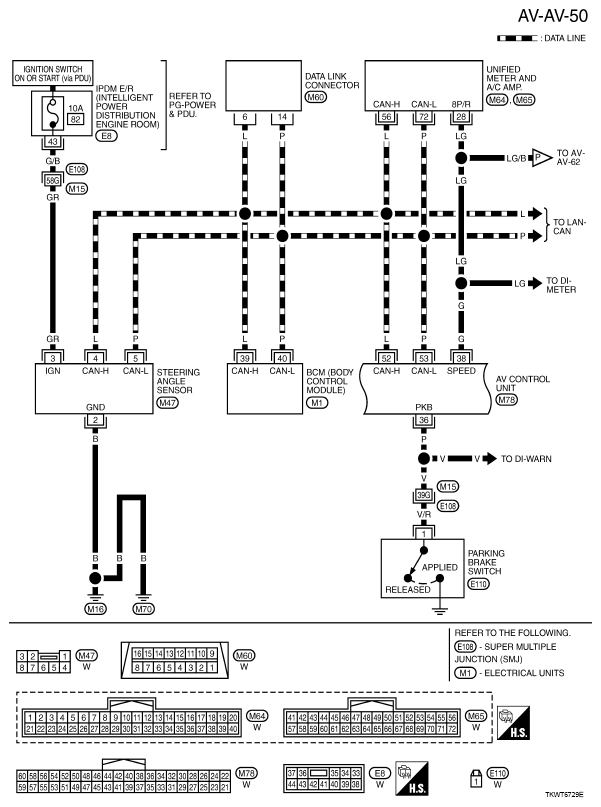
Fig 6: Identifying AV - / BOSE Audio 2ch System P - Wiring Diagram - AV-AV-50
G05723037Courtesy of NISSAN MOTOR CO., U.S.A.
Fig 7: Identifying AV - / BOSE Audio 2ch System P - Wiring Diagram - AV-AV-51
G05723038Courtesy of NISSAN MOTOR CO., U.S.A.
Fig 8: Identifying AV - / BOSE Audio 2ch System P - Wiring Diagram - AV-AV-52
G05723039Courtesy of NISSAN MOTOR CO., U.S.A.
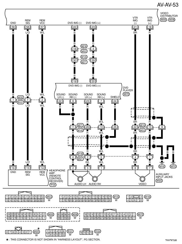
Fig 9: Identifying AV - / BOSE Audio 2ch System P - Wiring Diagram - AV-AV-53
G05723040Courtesy of NISSAN MOTOR CO., U.S.A.
Fig 10: Identifying AV - / BOSE Audio 2ch System P - Wiring Diagram - AV-AV-54
G05723041Courtesy of NISSAN MOTOR CO., U.S.A.
Fig 11: Identifying AV - / BOSE Audio 2ch System P - Wiring Diagram - AV-AV-55
G05723042Courtesy of NISSAN MOTOR CO., U.S.A.
Fig 12: Identifying AV - / BOSE Audio 2ch System P - Wiring Diagram - AV-AV-56
G05723043Courtesy of NISSAN MOTOR CO., U.S.A.
Fig 13: Identifying AV - / BOSE Audio 2ch System P - Wiring Diagram - AV-AV-57
G05723044Courtesy of NISSAN MOTOR CO., U.S.A.
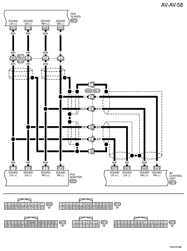
Fig 14: Identifying AV - / BOSE Audio 2ch System P - Wiring Diagram - AV-AV-58
G05723045Courtesy of NISSAN MOTOR CO., U.S.A.
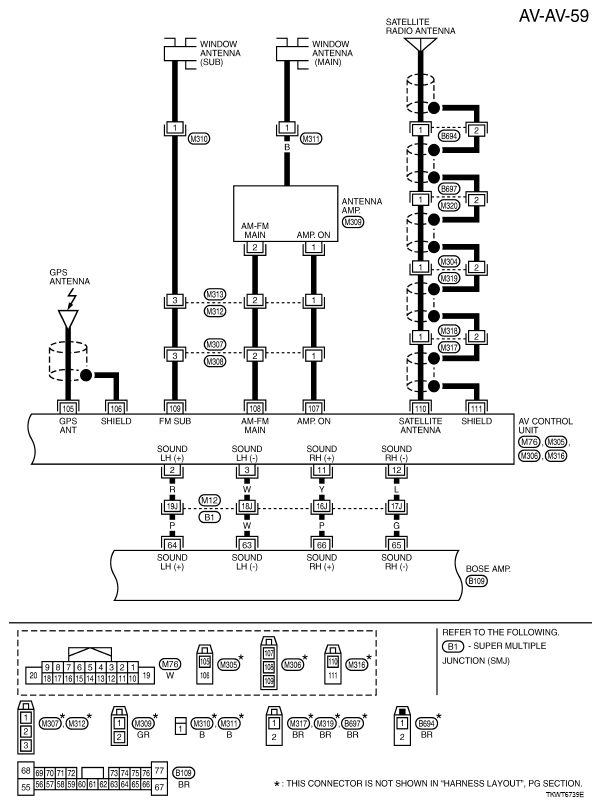
Fig 15: Identifying AV - / BOSE Audio 2ch System P - Wiring Diagram - AV-AV-59
G05723046Courtesy of NISSAN MOTOR CO., U.S.A.
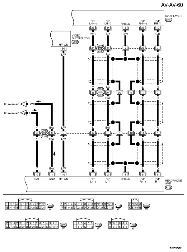
Fig 16: Identifying AV - / BOSE Audio 2ch System P - Wiring Diagram - AV-AV-60
G05723047Courtesy of NISSAN MOTOR CO., U.S.A.
Fig 17: Identifying AV - / BOSE Audio 2ch System P - Wiring Diagram - AV-AV-61
G05723048Courtesy of NISSAN MOTOR CO., U.S.A.
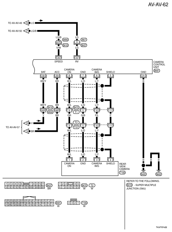
Fig 18: Identifying AV - / BOSE Audio 2ch System P - Wiring Diagram - AV-AV-62
G05723049Courtesy of NISSAN MOTOR CO., U.S.A.