LEMON Manuals: Even more car manuals for everyone: 1960-2025
Home >> Infiniti >> 2009 >> M35 Base >> Repair and Diagnosis >> External Pages >> Different car >> Section 160 (Audio, Visual & Navigation System) >> With Mobile Entertainment System >> Ecu Diagnosis >> Front Display Unit >> Wiring Diagram - AV - / BOSE Audio 2ch System
April 5, 2026: LEMON Manuals is launched! Read the announcement.

Wiring Diagram - AV - / BOSE Audio 2ch System

WARNING: This page is about a different car, the 2008 Infiniti M45 and 2008 Infiniti M35. However, it is still accessible from the selected car via links, so may be relevant.
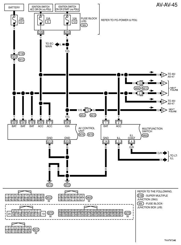
NOTE: The name MULTIFUNCTION SWITCH indicates the integration of PRESET SWITCH and MULTIFUNCTION SWITCH virtually.
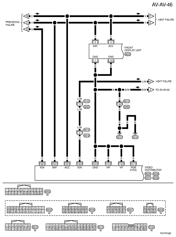
Fig 1: Identifying AV - / BOSE Audio 2ch System - Wiring Diagram (AV-AV-45)
G05722721Courtesy of NISSAN MOTOR CO., U.S.A.
Fig 2: Identifying AV - / BOSE Audio 2ch System - Wiring Diagram (AV-AV-46)
G05722722Courtesy of NISSAN MOTOR CO., U.S.A.
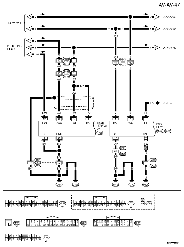
Fig 3: Identifying AV - / BOSE Audio 2ch System - Wiring Diagram (AV-AV-47)
G05722723Courtesy of NISSAN MOTOR CO., U.S.A.
Fig 4: Identifying AV - / BOSE Audio 2ch System - Wiring Diagram (AV-AV-48)
G05722724Courtesy of NISSAN MOTOR CO., U.S.A.
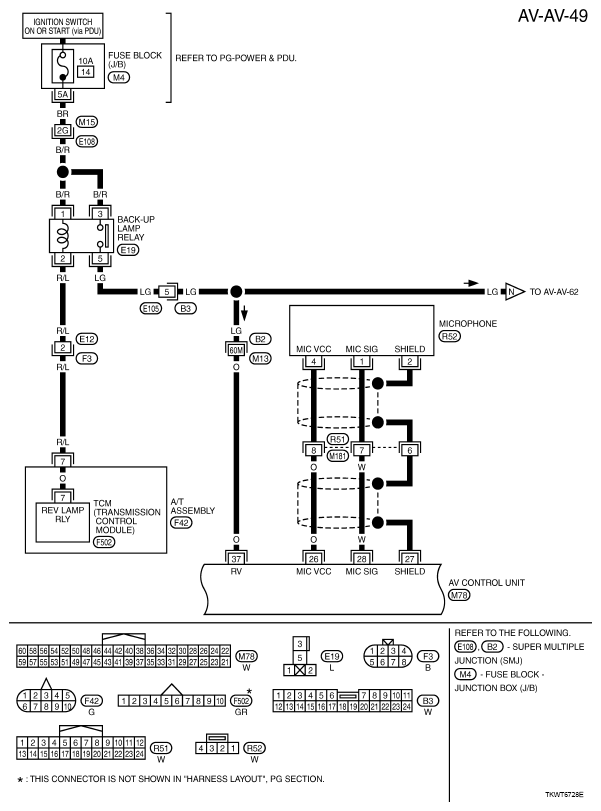
Fig 5: Identifying AV - / BOSE Audio 2ch System - Wiring Diagram (AV-AV-49)
G05722725Courtesy of NISSAN MOTOR CO., U.S.A.
Fig 6: Identifying AV - / BOSE Audio 2ch System - Wiring Diagram (AV-AV-50)
G05722726Courtesy of NISSAN MOTOR CO., U.S.A.
Fig 7: Identifying AV - / BOSE Audio 2ch System - Wiring Diagram (AV-AV-51)
G05722727Courtesy of NISSAN MOTOR CO., U.S.A.
Fig 8: Identifying AV - / BOSE Audio 2ch System - Wiring Diagram (AV-AV-52)
G05722728Courtesy of NISSAN MOTOR CO., U.S.A.
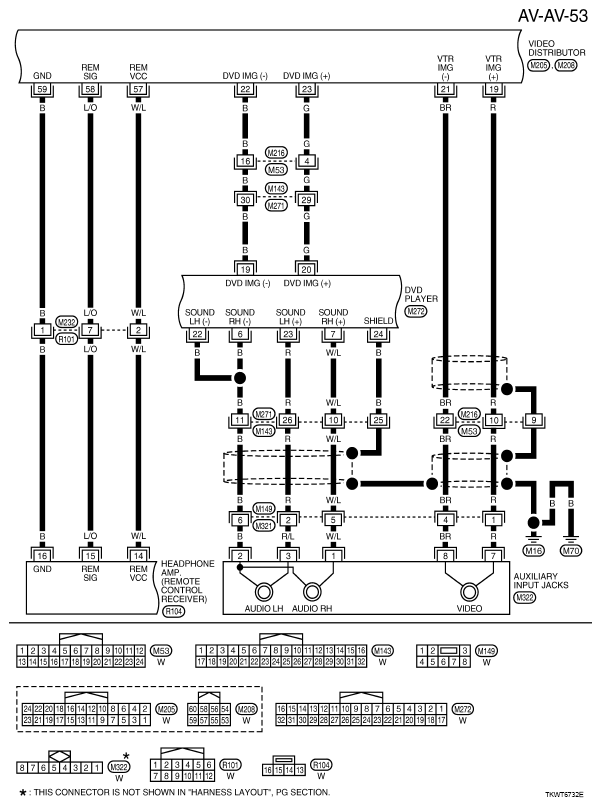
Fig 9: Identifying AV - / BOSE Audio 2ch System - Wiring Diagram (AV-AV-53)
G05722729Courtesy of NISSAN MOTOR CO., U.S.A.
Fig 10: Identifying AV - / BOSE Audio 2ch System - Wiring Diagram (AV-AV-54)
G05722730Courtesy of NISSAN MOTOR CO., U.S.A.
Fig 11: Identifying AV - / BOSE Audio 2ch System - Wiring Diagram (AV-AV-55)
G05722731Courtesy of NISSAN MOTOR CO., U.S.A.
Fig 12: Identifying AV - / BOSE Audio 2ch System - Wiring Diagram (AV-AV-56)
G05722732Courtesy of NISSAN MOTOR CO., U.S.A.
Fig 13: Identifying AV - / BOSE Audio 2ch System - Wiring Diagram (AV-AV-57)
G05722733Courtesy of NISSAN MOTOR CO., U.S.A.
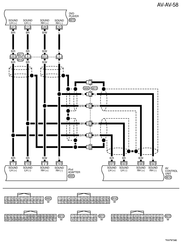
Fig 14: Identifying AV - / BOSE Audio 2ch System - Wiring Diagram (AV-AV-58)
G05722734Courtesy of NISSAN MOTOR CO., U.S.A.
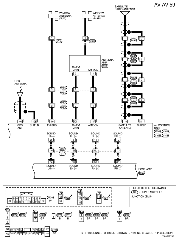
Fig 15: Identifying AV - / BOSE Audio 2ch System - Wiring Diagram (AV-AV-59)
G05722735Courtesy of NISSAN MOTOR CO., U.S.A.
Fig 16: Identifying AV - / BOSE Audio 2ch System - Wiring Diagram (AV-AV-60)
G05722736Courtesy of NISSAN MOTOR CO., U.S.A.
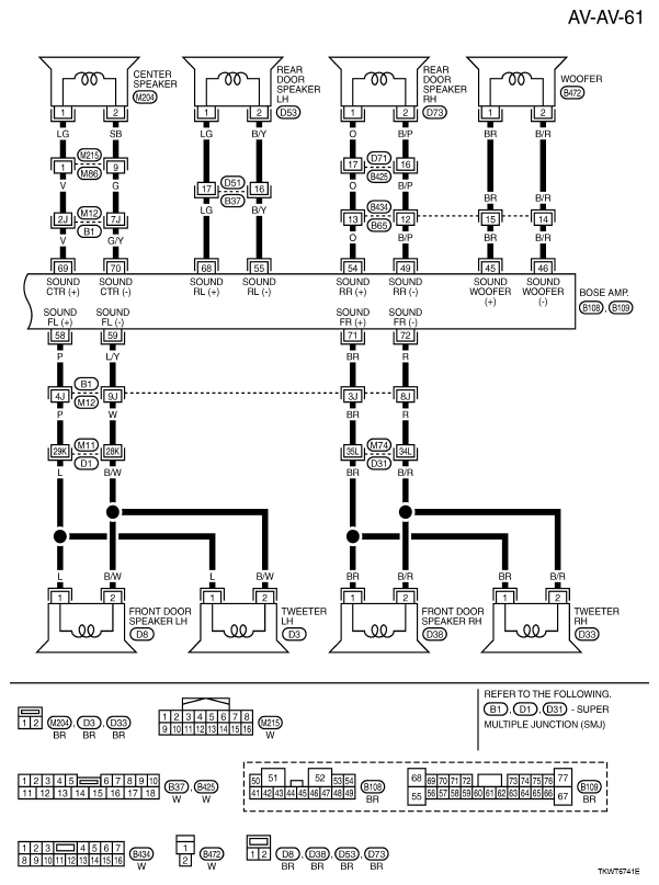
Fig 17: Identifying AV - / BOSE Audio 2ch System - Wiring Diagram (AV-AV-61)
G05722737Courtesy of NISSAN MOTOR CO., U.S.A.
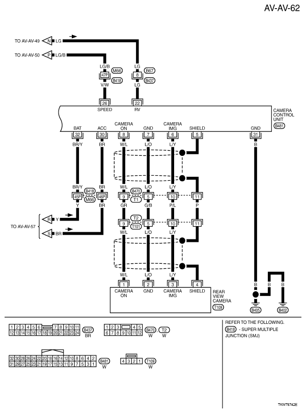
Fig 18: Identifying AV - / BOSE Audio 2ch System - Wiring Diagram (AV-AV-62)
G05722738Courtesy of NISSAN MOTOR CO., U.S.A.