LEMON Manuals: Even more car manuals for everyone: 1960-2025
Home >> Infiniti >> 2009 >> M35 Base >> Repair and Diagnosis >> External Pages >> Different car >> Section 160 (Audio, Visual & Navigation System) >> Without Mobile Entertainment System >> Ecu Diagnosis >> Front Display Unit >> With Navigation >> Wiring Diagram - AV - / BOSE Surround Audio 5.1ch System
April 5, 2026: LEMON Manuals is launched! Read the announcement.

Wiring Diagram - AV - / BOSE Surround Audio 5.1ch System

WARNING: This page is about a different car, the 2008 Infiniti M45 and 2008 Infiniti M35. However, it is still accessible from the selected car via links, so may be relevant.
NOTE: The name MULTIFUNCTION SWITCH indicates the integration of PRESET SWITCH and MULTIFUNCTION SWITCH virtually.
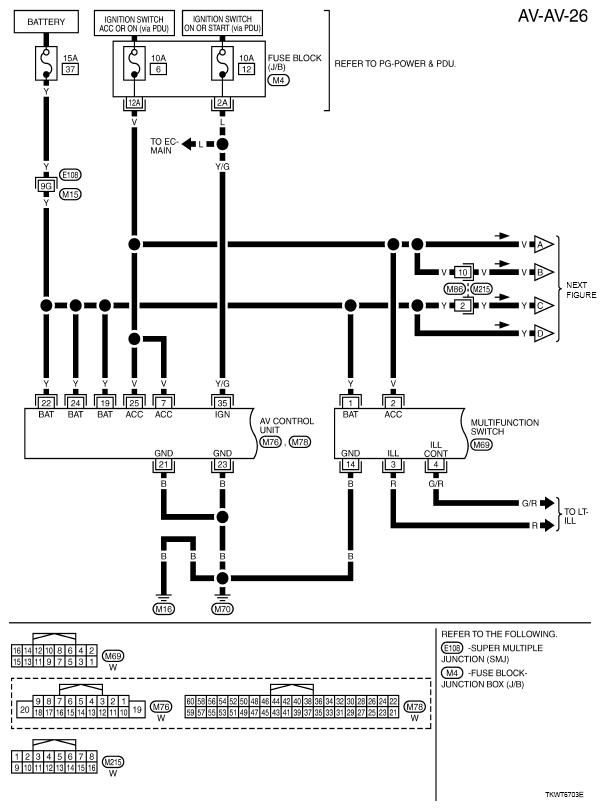
Fig 1: Identifying AV - / BOSE Surround Audio 5.1ch System - Wiring Diagram - AV-AV-26
G05722250Courtesy of NISSAN MOTOR CO., U.S.A.
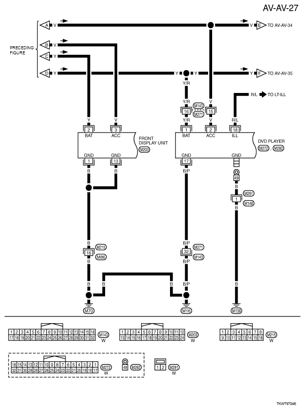
Fig 2: Identifying AV - / BOSE Surround Audio 5.1ch System - Wiring Diagram - AV-AV-27
G05722251Courtesy of NISSAN MOTOR CO., U.S.A.
Fig 3: Identifying AV - / BOSE Surround Audio 5.1ch System - Wiring Diagram - AV-AV-28
G05722252Courtesy of NISSAN MOTOR CO., U.S.A.
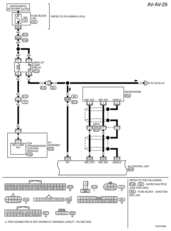
Fig 4: Identifying AV - / BOSE Surround Audio 5.1ch System - Wiring Diagram - AV-AV-29
G05722253Courtesy of NISSAN MOTOR CO., U.S.A.
Fig 5: Identifying AV - / BOSE Surround Audio 5.1ch System - Wiring Diagram - AV-AV-30
G05722254Courtesy of NISSAN MOTOR CO., U.S.A.
Fig 6: Identifying AV - / BOSE Surround Audio 5.1ch System - Wiring Diagram - AV-AV-31
G05722255Courtesy of NISSAN MOTOR CO., U.S.A.
Fig 7: Identifying AV - / BOSE Surround Audio 5.1ch System - Wiring Diagram - AV-AV-32
G05722256Courtesy of NISSAN MOTOR CO., U.S.A.
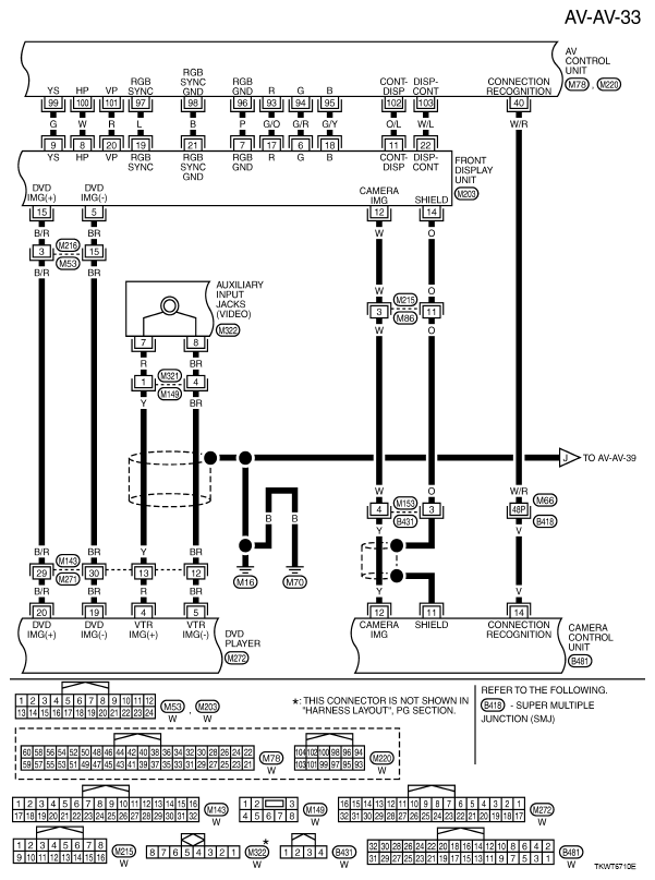
Fig 8: Identifying AV - / BOSE Surround Audio 5.1ch System - Wiring Diagram - AV-AV-33
G05722257Courtesy of NISSAN MOTOR CO., U.S.A.
Fig 9: Identifying AV - / BOSE Surround Audio 5.1ch System - Wiring Diagram - AV-AV-34
G05722258Courtesy of NISSAN MOTOR CO., U.S.A.
Fig 10: Identifying AV - / BOSE Surround Audio 5.1ch System - Wiring Diagram - AV-AV-35
G05722259Courtesy of NISSAN MOTOR CO., U.S.A.
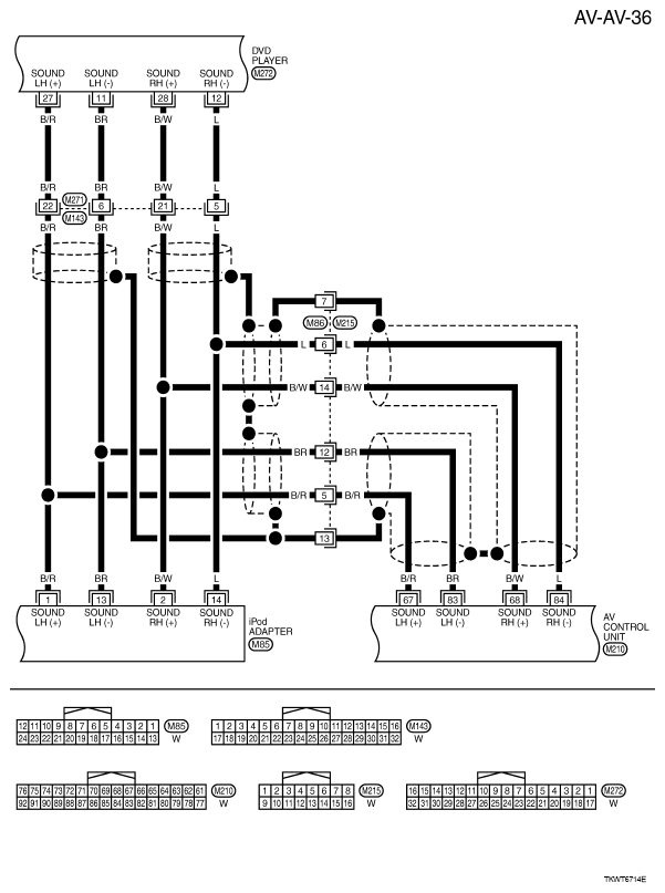
Fig 11: Identifying AV - / BOSE Surround Audio 5.1ch System - Wiring Diagram - AV-AV-36
G05722260Courtesy of NISSAN MOTOR CO., U.S.A.
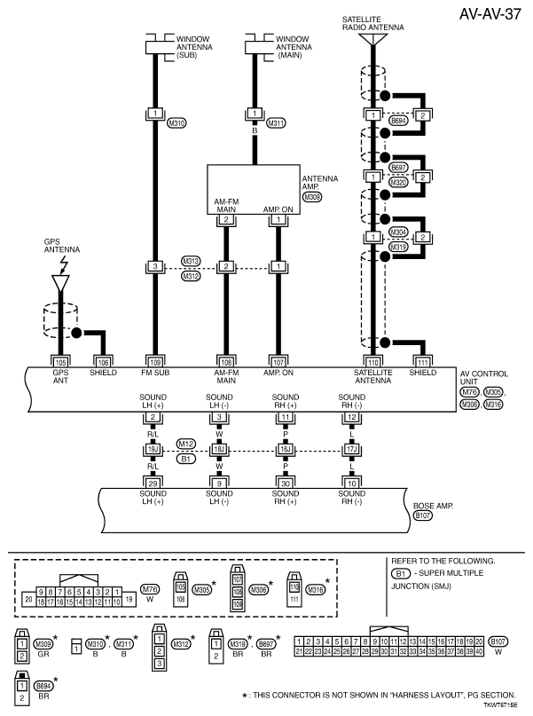
Fig 12: Identifying AV - / BOSE Surround Audio 5.1ch System - Wiring Diagram - AV-AV-37
G05722261Courtesy of NISSAN MOTOR CO., U.S.A.
Fig 13: Identifying AV - / BOSE Surround Audio 5.1ch System - Wiring Diagram - AV-AV-38
G05722262Courtesy of NISSAN MOTOR CO., U.S.A.
Fig 14: Identifying AV - / BOSE Surround Audio 5.1ch System - Wiring Diagram - AV-AV-39
G05722263Courtesy of NISSAN MOTOR CO., U.S.A.
Fig 15: Identifying AV - / BOSE Surround Audio 5.1ch System - Wiring Diagram - AV-AV-40
G05722264Courtesy of NISSAN MOTOR CO., U.S.A.
Fig 16: Identifying AV - / BOSE Surround Audio 5.1ch System - Wiring Diagram - AV-AV-41
G05722265Courtesy of NISSAN MOTOR CO., U.S.A.
Fig 17: Identifying AV - / BOSE Surround Audio 5.1ch System - Wiring Diagram - AV-AV-42
G05722266Courtesy of NISSAN MOTOR CO., U.S.A.
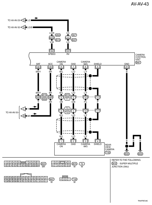
Fig 18: Identifying AV - / BOSE Surround Audio 5.1ch System - Wiring Diagram - AV-AV-43
G05722267Courtesy of NISSAN MOTOR CO., U.S.A.