LEMON Manuals: Even more car manuals for everyone: 1960-2025
Home >> Infiniti >> 2009 >> M45 Base >> Repair and Diagnosis >> Body & Frame >> Windows >> Glass, Window System & Mirrors >> Service Information >> Power Window System >> Schematic
April 5, 2026: LEMON Manuals is launched! Read the announcement.

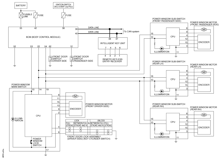
Power Window System: Schematic

Fig 1: Power Window System Schematic
G05212559Courtesy of NISSAN MOTOR CO., U.S.A.