LEMON Manuals: Even more car manuals for everyone: 1960-2025
Home >> Infiniti >> 2009 >> M45 Base >> Repair and Diagnosis >> Brakes >> Traction Control >> Brake Control System >> Service Information >> System Description >> Hydraulic Circuit Diagram
April 5, 2026: LEMON Manuals is launched! Read the announcement.

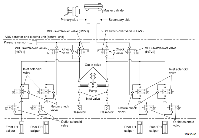
Hydraulic Circuit Diagram

Fig 1: Hydraulic Circuit Diagram
G06310308Courtesy of NISSAN MOTOR CO., U.S.A.