LEMON Manuals: Even more car manuals for everyone: 1960-2025
Home >> Infiniti >> 2009 >> M45 Base >> Repair and Diagnosis >> External Pages >> Different car >> Section 65 (Driver Information System) >> Rear View Monitor >> Schematic
April 5, 2026: LEMON Manuals is launched! Read the announcement.

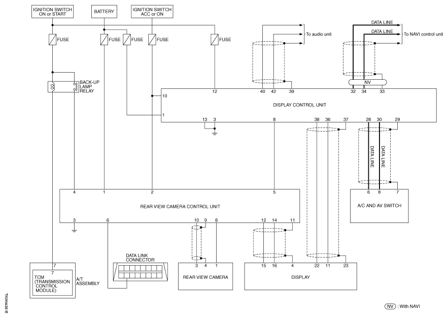
Rear View Monitor: Schematic

WARNING: This page is about a different car, the 2008 Infiniti FX45 and 2008 Infiniti FX35. However, it is still accessible from the selected car via links, so may be relevant.
Fig 1: Identifying Rear View Monitor Schematic Diagram
G05222456Courtesy of NISSAN MOTOR CO., U.S.A.