LEMON Manuals: Even more car manuals for everyone: 1960-2025
Home >> Infiniti >> 2009 >> M45 Base >> Repair and Diagnosis >> External Pages >> Different car >> Section 91 (Lighting System) >> Headlamp Aiming Control >> Switch Circuit Inspection
April 5, 2026: LEMON Manuals is launched! Read the announcement.

Switch Circuit Inspection

WARNING: This page is about a different car, the 2008 Infiniti FX45 and 2008 Infiniti FX35. However, it is still accessible from the selected car via links, so may be relevant.

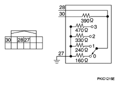
Using a circuit tester, check resistance between the headlamp aiming switch connector terminals in each operation status of the aiming switch.

Fig 1: Identifying Resistance Between Headlamp Aiming Switch Connector Terminals
G05222071Courtesy of NISSAN MOTOR CO., U.S.A.