LEMON Manuals: Even more car manuals for everyone: 1960-2025
Home >> Infiniti >> 2009 >> M45 Base >> Repair and Diagnosis >> Steering >> Steering Control Systems >> RAS >> Service Information >> Trouble Diagnosis >> Schematic
April 5, 2026: LEMON Manuals is launched! Read the announcement.

Trouble Diagnosis: Schematic

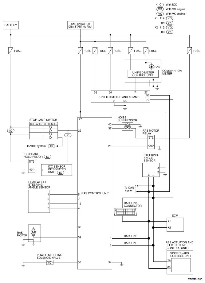
Fig 1: RAS Trouble Diagnosis Schematic Diagram
G06310460Courtesy of NISSAN MOTOR CO., U.S.A.