LEMON Manuals: Even more car manuals for everyone: 1960-2025
Home >> Infiniti >> 2009 >> QX56 AWD >> Repair and Diagnosis >> Body & Frame >> Windows >> Power Window Control System >> Ecu Diagnosis >> BCM (Body Control Module) >> Wiring Diagram
April 5, 2026: LEMON Manuals is launched! Read the announcement.

BCM (Body Control Module): Wiring Diagram

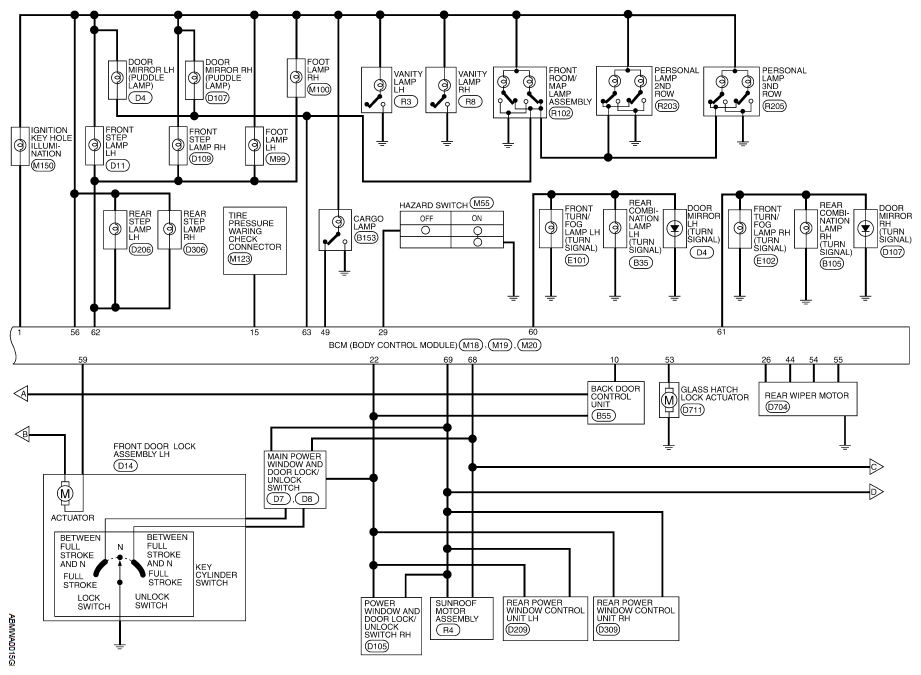
Fig 1: BCM - Wiring Diagram (1 Of 3)
G06318888Courtesy of NISSAN MOTOR CO., U.S.A.
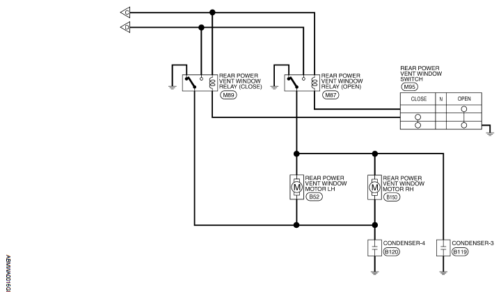
Fig 2: BCM - Wiring Diagram (2 Of 3)
G06318889Courtesy of NISSAN MOTOR CO., U.S.A.
Fig 3: BCM - Wiring Diagram (3 Of 3)
G06318890Courtesy of NISSAN MOTOR CO., U.S.A.
Fig 4: BCM Connector Reference Chart (1 Of 2)
G06318891Courtesy of NISSAN MOTOR CO., U.S.A.
Fig 5: BCM Connector Reference Chart (2 Of 2)
G06318892Courtesy of NISSAN MOTOR CO., U.S.A.