LEMON Manuals: Even more car manuals for everyone: 1960-2025
Home >> Infiniti >> 2010 >> EX35 Base, AWD >> Repair and Diagnosis >> External Pages >> Different car >> Section 38 (Power Control System) >> Power Distribution System >> Component Diagnosis >> Power Distribution System >> Wiring Diagram - PDS (POWER DISTRIBUTION SYSTEM) -
April 5, 2026: LEMON Manuals is launched! Read the announcement.

Wiring Diagram - PDS (POWER DISTRIBUTION SYSTEM) -

WARNING: This page is about a different car, the 2008 Infiniti EX35. However, it is still accessible from the selected car via links, so may be relevant.
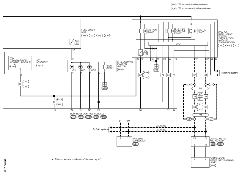
Fig 1: Identifying Power Distribution System Wiring Diagram (1 Of 2)
G05730940Courtesy of NISSAN MOTOR CO., U.S.A.
Fig 2: Identifying Power Distribution System Wiring Diagram (2 Of 2)
G05730941Courtesy of NISSAN MOTOR CO., U.S.A.
Fig 3: Identifying Power Distribution System Connectors Table (1 Of 4)
G05730942Courtesy of NISSAN MOTOR CO., U.S.A.
Fig 4: Identifying Power Distribution System Connectors Table (2 Of 4)
G05730943Courtesy of NISSAN MOTOR CO., U.S.A.
Fig 5: Identifying Power Distribution System Connectors Table (3 Of 4)
G05730944Courtesy of NISSAN MOTOR CO., U.S.A.
Fig 6: Identifying Power Distribution System Connectors Table (4 Of 4)
G05730945Courtesy of NISSAN MOTOR CO., U.S.A.