LEMON Manuals: Even more car manuals for everyone: 1960-2025
Home >> Infiniti >> 2010 >> EX35 Base, RWD >> Repair and Diagnosis (Single Page) >> Body & Frame >> Door Locks >> Security Control System >> Component Diagnosis >> Intelligent Key System/Engine Start Function >> Wiring Diagram - INTELLIGENT KEY SYSTEM/ENGINE START FUNCTION -
April 5, 2026: LEMON Manuals is launched! Read the announcement.

Wiring Diagram - INTELLIGENT KEY SYSTEM/ENGINE START FUNCTION -

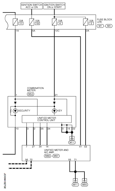
Fig 1: Intelligent Key System/Engine Start Function - Wiring Diagram (1 Of 3)
G06297350Courtesy of NISSAN MOTOR CO., U.S.A.
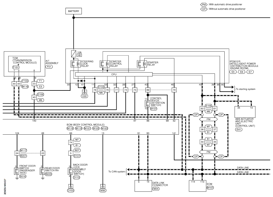
Fig 2: Intelligent Key System/Engine Start Function - Wiring Diagram (2 Of 3)
G06297351Courtesy of NISSAN MOTOR CO., U.S.A.
Fig 3: Intelligent Key System/Engine Start Function - Wiring Diagram (3 Of 3)
G06297352Courtesy of NISSAN MOTOR CO., U.S.A.
Fig 4: Identifying Intelligent Key System Connectors (1 Of 6)
G06297353Courtesy of NISSAN MOTOR CO., U.S.A.
Fig 5: Identifying Intelligent Key System Connectors (2 Of 6)
G06297354Courtesy of NISSAN MOTOR CO., U.S.A.
Fig 6: Identifying Intelligent Key System Connectors (3 Of 6)
G06297355Courtesy of NISSAN MOTOR CO., U.S.A.
Fig 7: Identifying Intelligent Key System Connectors (4 Of 6)
G06297356Courtesy of NISSAN MOTOR CO., U.S.A.
Fig 8: Identifying Intelligent Key System Connectors (5 Of 6)
G06297357Courtesy of NISSAN MOTOR CO., U.S.A.
Fig 9: Identifying Intelligent Key System Connectors (6 Of 6)
G06297358Courtesy of NISSAN MOTOR CO., U.S.A.