LEMON Manuals: Even more car manuals for everyone: 1960-2025
Home >> Infiniti >> 2010 >> FX35 AWD >> Repair and Diagnosis >> Accessories & Equipment >> Anti-Theft Systems >> Security Control System >> Component Diagnosis >> Intelligent Key System/Engine Start Function >> Wiring Diagram - INTELLIGENT KEY SYSTEM/ENGINE START FUNCTION
April 5, 2026: LEMON Manuals is launched! Read the announcement.

Wiring Diagram - INTELLIGENT KEY SYSTEM/ENGINE START FUNCTION

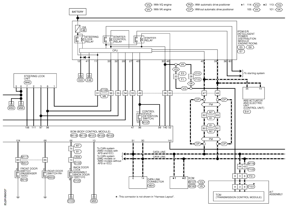
Fig 1: Wiring Diagram - Intelligent Key System/Engine Start Function - 01
G05976237Courtesy of NISSAN MOTOR CO., U.S.A.
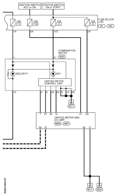
Fig 2: Wiring Diagram - Intelligent Key System/Engine Start Function - 02
G05976238Courtesy of NISSAN MOTOR CO., U.S.A.
Fig 3: Wiring Diagram - Intelligent Key System/Engine Start Function - 03
G05976239Courtesy of NISSAN MOTOR CO., U.S.A.
Fig 4: Intelligent Key System/Engine Start Function Connectors (1 Of 7)
G05976240Courtesy of NISSAN MOTOR CO., U.S.A.
Fig 5: Intelligent Key System/Engine Start Function Connectors (2 Of 7)
G05976241Courtesy of NISSAN MOTOR CO., U.S.A.
Fig 6: Intelligent Key System/Engine Start Function Connectors (3 Of 7)
G05976242Courtesy of NISSAN MOTOR CO., U.S.A.
Fig 7: Intelligent Key System/Engine Start Function Connectors (4 Of 7)
G05976243Courtesy of NISSAN MOTOR CO., U.S.A.
Fig 8: Intelligent Key System/Engine Start Function Connectors (5 Of 7)
G05976244Courtesy of NISSAN MOTOR CO., U.S.A.
Fig 9: Intelligent Key System/Engine Start Function Connectors (6 Of 7)
G05976245Courtesy of NISSAN MOTOR CO., U.S.A.
Fig 10: Intelligent Key System/Engine Start Function Connectors (7 Of 7)
G05976246Courtesy of NISSAN MOTOR CO., U.S.A.