LEMON Manuals: Even more car manuals for everyone: 1960-2025
Home >> Infiniti >> 2010 >> FX50 >> Repair and Diagnosis (Single Page) >> Engine Performance >> System >> Engine Control System (VK50VE) - Component & System Checks, Ecu & Symptom Diagnosis, Precautions & Preparations, On-Vehicle Maintenance & Repair, Service Data And Specifications (SDS) >> Ecu Diagnosis >> VVEL Control Module >> Wiring Diagram - ENGINE CONTROL SYSTEM
April 5, 2026: LEMON Manuals is launched! Read the announcement.

Wiring Diagram - ENGINE CONTROL SYSTEM

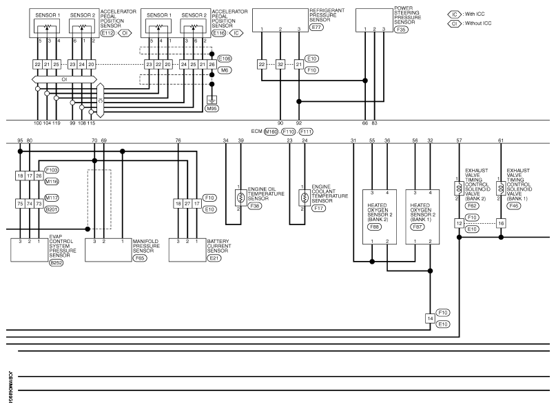
Fig 1: Engine Control System (VK50VE) - Wiring Diagram (1 Of 8)
G05979187Courtesy of NISSAN MOTOR CO., U.S.A.
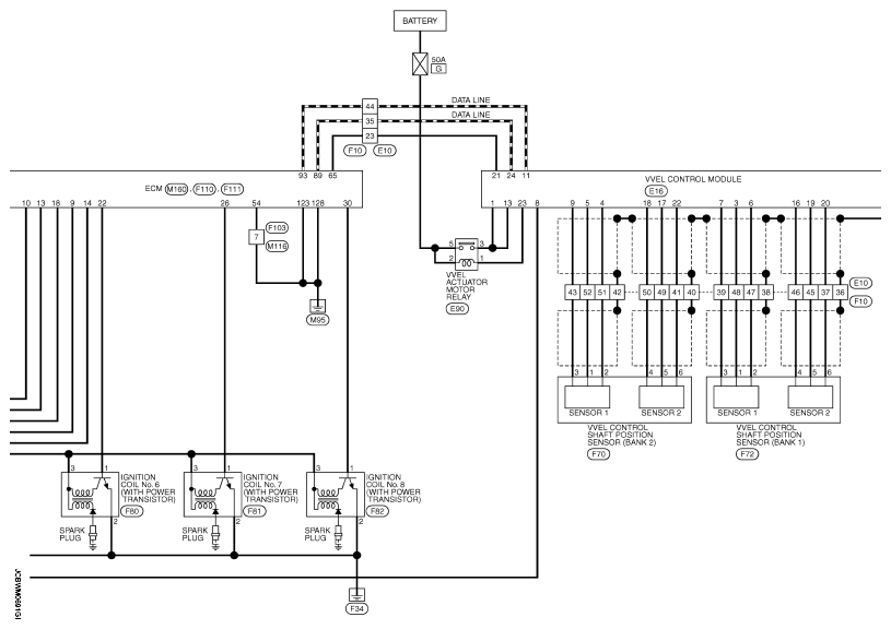
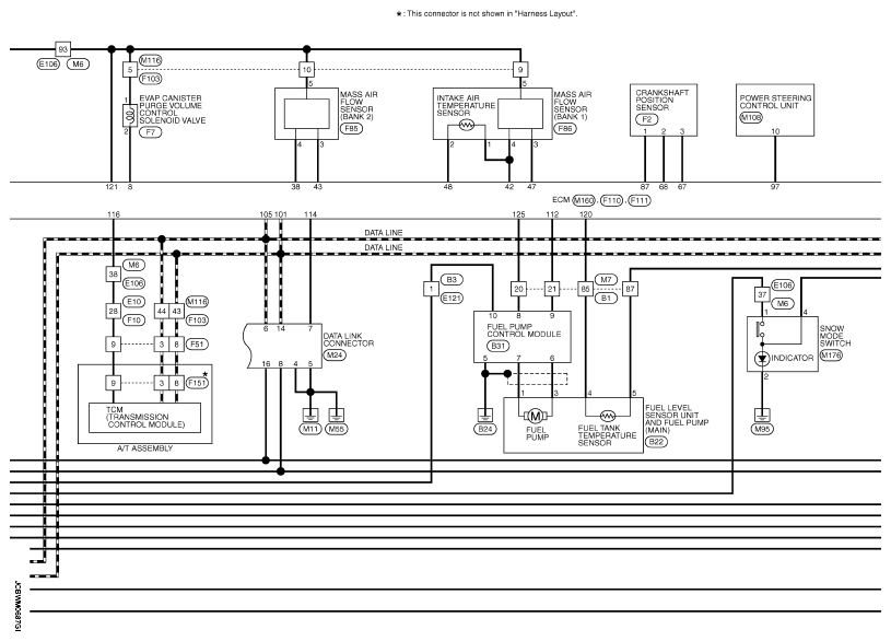
Fig 2: Engine Control System (VK50VE) - Wiring Diagram (2 Of 8)
G05979188Courtesy of NISSAN MOTOR CO., U.S.A.
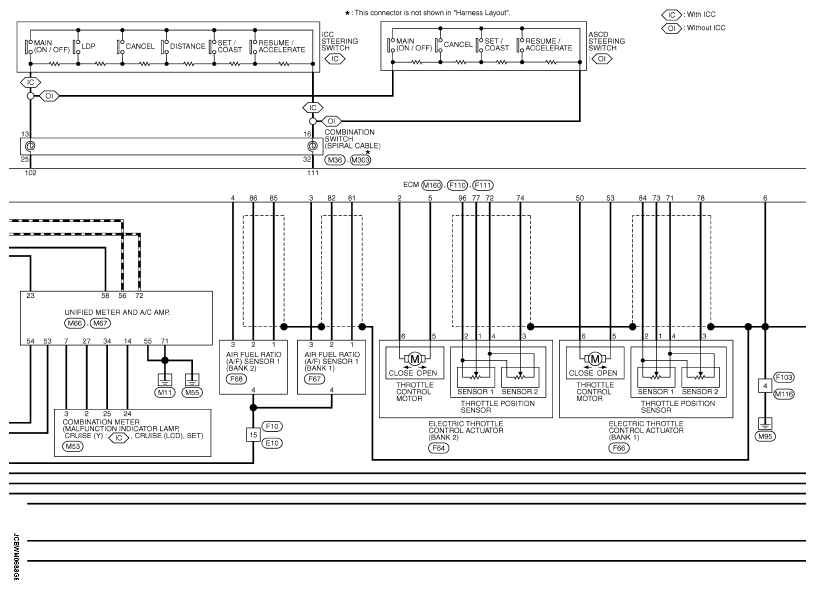
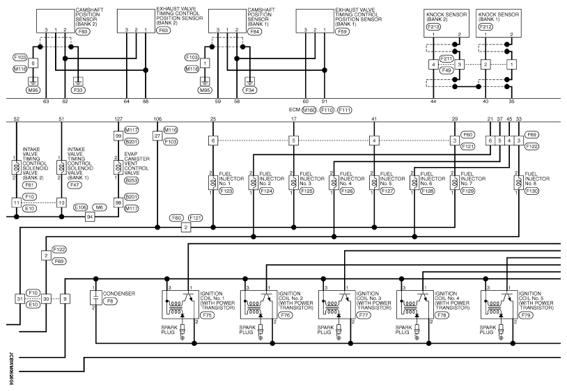
Fig 3: Engine Control System (VK50VE) - Wiring Diagram (3 Of 8)
G05979189Courtesy of NISSAN MOTOR CO., U.S.A.
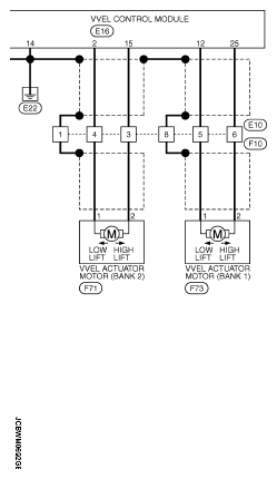
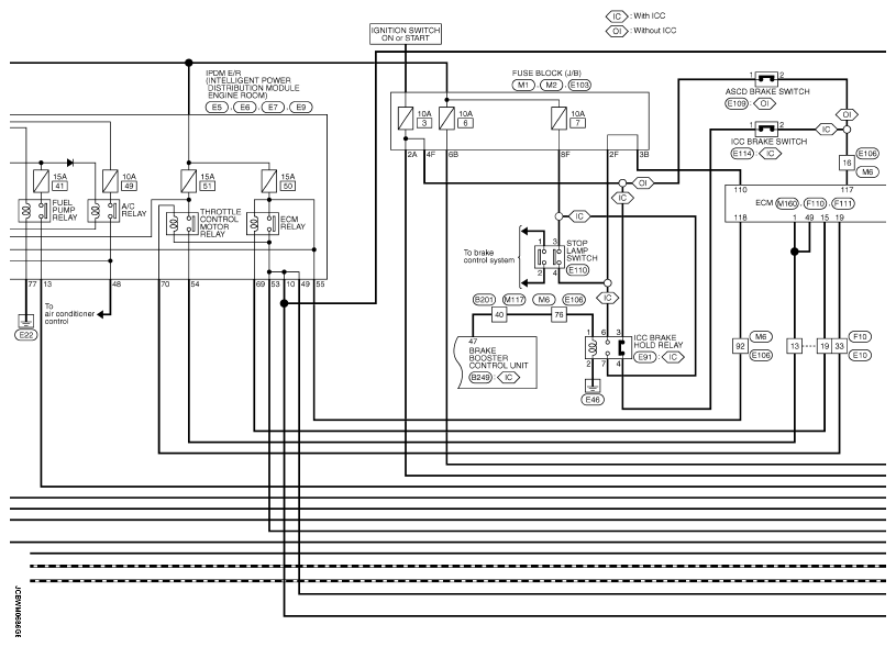
Fig 4: Engine Control System (VK50VE) - Wiring Diagram (4 Of 8)
G05979190Courtesy of NISSAN MOTOR CO., U.S.A.
Fig 5: Engine Control System (VK50VE) - Wiring Diagram (5 Of 8)
G05979191Courtesy of NISSAN MOTOR CO., U.S.A.
Fig 6: Engine Control System (VK50VE) - Wiring Diagram (6 Of 8)
G05979192Courtesy of NISSAN MOTOR CO., U.S.A.
Fig 7: Engine Control System (VK50VE) - Wiring Diagram (7 Of 8)
G05979193Courtesy of NISSAN MOTOR CO., U.S.A.
Fig 8: Engine Control System (VK50VE) - Wiring Diagram (8 Of 8)
G05979194Courtesy of NISSAN MOTOR CO., U.S.A.
Fig 9: Identifying Engine Control System (VK50VE) Connector Terminals (1 Of 17)
G05979195Courtesy of NISSAN MOTOR CO., U.S.A.
Fig 10: Identifying Engine Control System (VK50VE) Connector Terminals (2 Of 17)
G05979196Courtesy of NISSAN MOTOR CO., U.S.A.
Fig 11: Identifying Engine Control System (VK50VE) Connector Terminals (3 Of 17)
G05979197Courtesy of NISSAN MOTOR CO., U.S.A.
Fig 12: Identifying Engine Control System (VK50VE) Connector Terminals (4 Of 17)
G05979198Courtesy of NISSAN MOTOR CO., U.S.A.
Fig 13: Identifying Engine Control System (VK50VE) Connector Terminals (5 Of 17)
G05979199Courtesy of NISSAN MOTOR CO., U.S.A.
Fig 14: Identifying Engine Control System (VK50VE) Connector Terminals (6 Of 17)
G05979200Courtesy of NISSAN MOTOR CO., U.S.A.
Fig 15: Identifying Engine Control System (VK50VE) Connector Terminals (7 Of 17)
G05979201Courtesy of NISSAN MOTOR CO., U.S.A.
Fig 16: Identifying Engine Control System (VK50VE) Connector Terminals (8 Of 17)
G05979202Courtesy of NISSAN MOTOR CO., U.S.A.
Fig 17: Identifying Engine Control System (VK50VE) Connector Terminals (9 Of 17)
G05979203Courtesy of NISSAN MOTOR CO., U.S.A.
Fig 18: Identifying Engine Control System (VK50VE) Connector Terminals (10 Of 17)
G05979204Courtesy of NISSAN MOTOR CO., U.S.A.
Fig 19: Identifying Engine Control System (VK50VE) Connector Terminals (11 Of 17)
G05979205Courtesy of NISSAN MOTOR CO., U.S.A.
Fig 20: Identifying Engine Control System (VK50VE) Connector Terminals (12 Of 17)
G05979206Courtesy of NISSAN MOTOR CO., U.S.A.
Fig 21: Identifying Engine Control System (VK50VE) Connector Terminals (13 Of 17)
G05979207Courtesy of NISSAN MOTOR CO., U.S.A.
Fig 22: Identifying Engine Control System (VK50VE) Connector Terminals (14 Of 17)
G05979208Courtesy of NISSAN MOTOR CO., U.S.A.
Fig 23: Identifying Engine Control System (VK50VE) Connector Terminals (15 Of 17)
G05979209Courtesy of NISSAN MOTOR CO., U.S.A.
Fig 24: Identifying Engine Control System (VK50VE) Connector Terminals (16 Of 17)
G05979210Courtesy of NISSAN MOTOR CO., U.S.A.
Fig 25: Identifying Engine Control System (VK50VE) Connector Terminals (17 Of 17)
G05979211Courtesy of NISSAN MOTOR CO., U.S.A.