LEMON Manuals: Even more car manuals for everyone: 1960-2025
Home >> Infiniti >> 2010 >> G37 Base, 2D Convertible >> Repair and Diagnosis >> Engine Performance >> Testing & Diagnosis >> Engine Control System - Introduction (2 Of 2) >> Ecu Diagnosis Information >> VVEL Control Module >> Wiring Diagram - ENGINE CONTROL SYSTEM -
April 5, 2026: LEMON Manuals is launched! Read the announcement.

Wiring Diagram - ENGINE CONTROL SYSTEM -

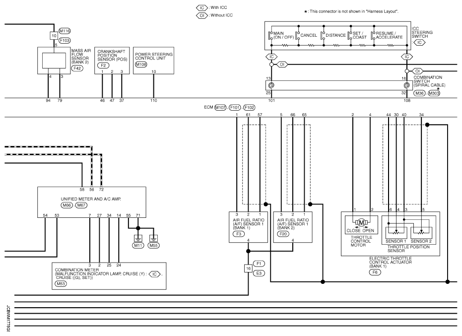
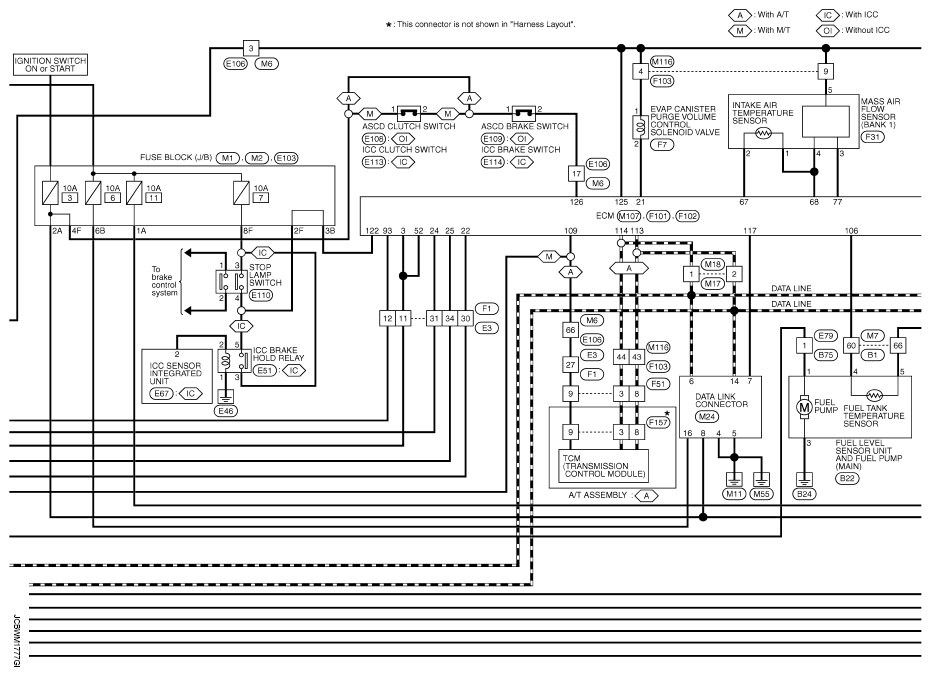
Fig 1: Engine Control System - Wiring Diagram (1 Of 6)
G06614542Courtesy of NISSAN NORTH AMERICA, INC.
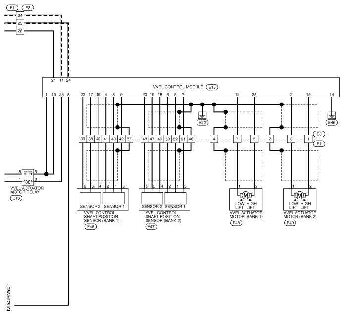
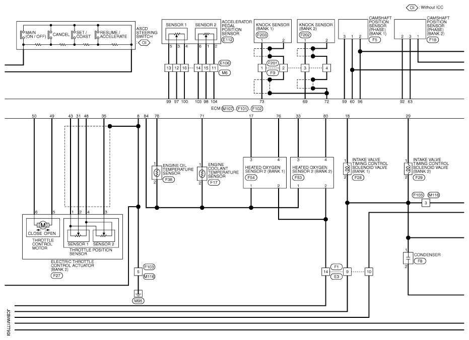
Fig 2: Engine Control System - Wiring Diagram (2 Of 6)
G06614543Courtesy of NISSAN NORTH AMERICA, INC.
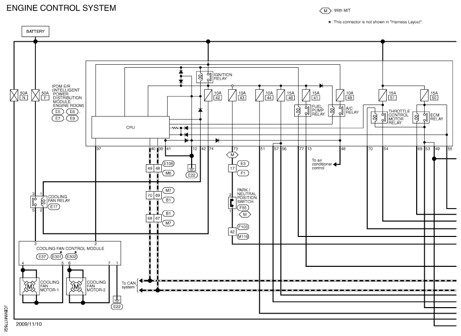
Fig 3: Engine Control System - Wiring Diagram (3 Of 6)
G06614544Courtesy of NISSAN NORTH AMERICA, INC.
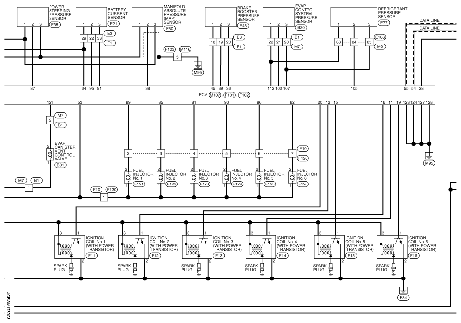
Fig 4: Engine Control System - Wiring Diagram (4 Of 6)
G06614545Courtesy of NISSAN NORTH AMERICA, INC.
Fig 5: Engine Control System - Wiring Diagram (5 Of 6)
G06614546Courtesy of NISSAN NORTH AMERICA, INC.
Fig 6: Engine Control System - Wiring Diagram (6 Of 6)
G06614547Courtesy of NISSAN NORTH AMERICA, INC.
Fig 7: Identifying Engine Control System Connectors (1 Of 13)
G06614548Courtesy of NISSAN NORTH AMERICA, INC.
Fig 8: Identifying Engine Control System Connectors (2 Of 13)
G06614549Courtesy of NISSAN NORTH AMERICA, INC.
Fig 9: Identifying Engine Control System Connectors (3 Of 13)
G06614550Courtesy of NISSAN NORTH AMERICA, INC.
Fig 10: Identifying Engine Control System Connectors (4 Of 13)
G06614551Courtesy of NISSAN NORTH AMERICA, INC.
Fig 11: Identifying Engine Control System Connectors (5 Of 13)
G06614552Courtesy of NISSAN NORTH AMERICA, INC.
Fig 12: Identifying Engine Control System Connectors (6 Of 13)
G06614553Courtesy of NISSAN NORTH AMERICA, INC.
Fig 13: Identifying Engine Control System Connectors (7 Of 13)
G06614554Courtesy of NISSAN NORTH AMERICA, INC.
Fig 14: Identifying Engine Control System Connectors (8 Of 13)
G06614555Courtesy of NISSAN NORTH AMERICA, INC.
Fig 15: Identifying Engine Control System Connectors (9 Of 13)
G06614556Courtesy of NISSAN NORTH AMERICA, INC.
Fig 16: Identifying Engine Control System Connectors (10 Of 13)
G06614557Courtesy of NISSAN NORTH AMERICA, INC.
Fig 17: Identifying Engine Control System Connectors (11 Of 13)
G06614558Courtesy of NISSAN NORTH AMERICA, INC.
Fig 18: Identifying Engine Control System Connectors (12 Of 13)
G06614559Courtesy of NISSAN NORTH AMERICA, INC.
Fig 19: Identifying Engine Control System Connectors (13 Of 13)
G06614560Courtesy of NISSAN NORTH AMERICA, INC.