LEMON Manuals: Even more car manuals for everyone: 1960-2025
Home >> Infiniti >> 2010 >> G37 Base, 2D Convertible >> Repair and Diagnosis >> External Pages >> Different car >> Section 249 (Brake Control System (With VDC)) >> System Description >> System >> System Description >> Valve Operation (Abs Function And EBD Function) >> When Brake Release
April 5, 2026: LEMON Manuals is launched! Read the announcement.

When Brake Release

WARNING: This page is about a different car, the 2011 Nissan Juke. However, it is still accessible from the selected car via links, so may be relevant.
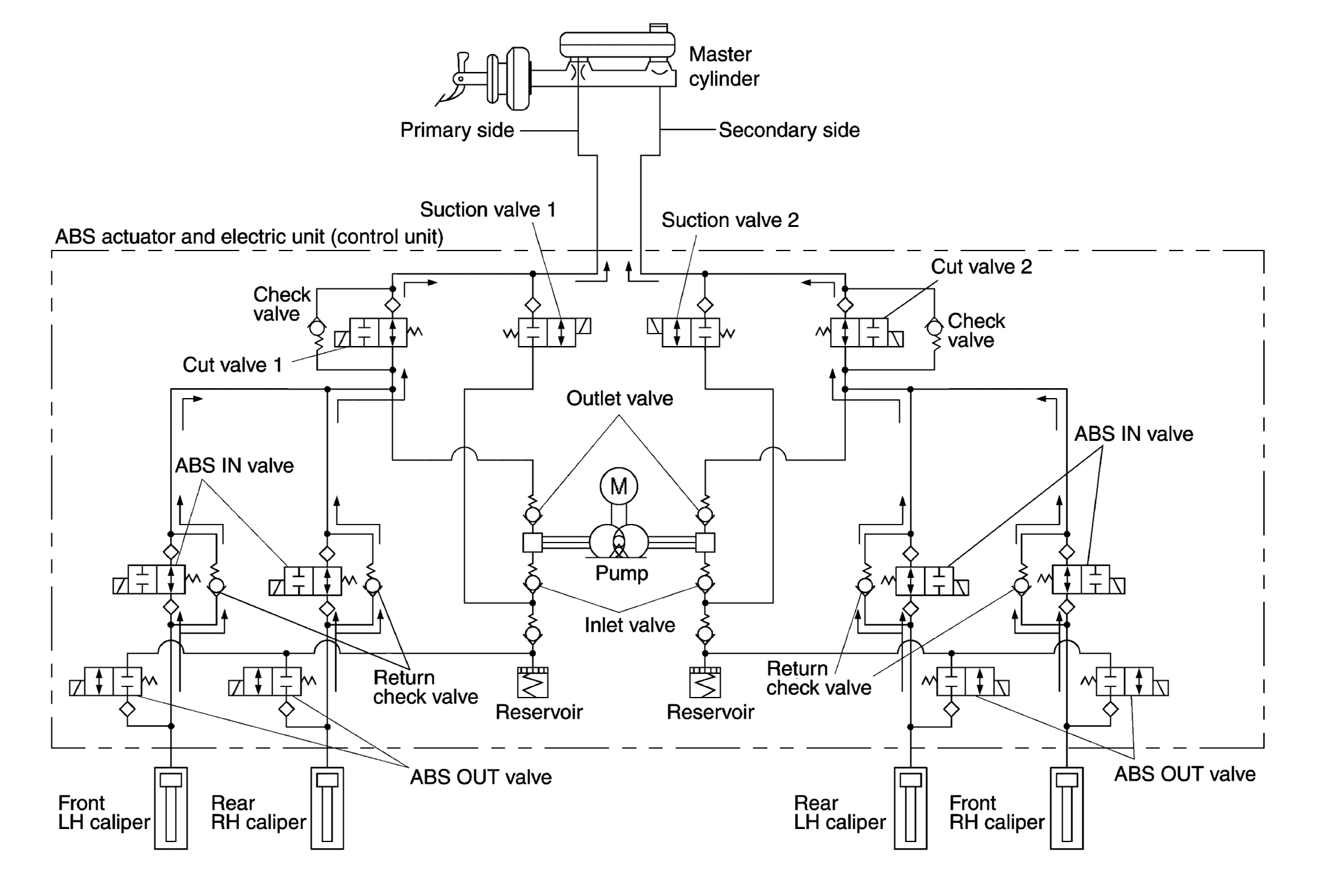
Fig 1: ABS Valve Operation Diagram - Brake Release
G06936107Courtesy of NISSAN MOTOR CO., U.S.A.
POWER SUPPLY REFERENCE CHART

Name Not activated During brake release
Cut valve 1 Power supply is not supplied (open) Power supply is not supplied (open)
Cut valve 2 Power supply is not supplied (open) Power supply is not supplied (open)
Suction valve 1 Power supply is not supplied (close) Power supply is not supplied (close)
Suction valve 2 Power supply is not supplied (close) Power supply is not supplied (close)
ABS IN valve Power supply is not supplied (open) Power supply is not supplied (open)
ABS OUT valve Power supply is not supplied (close) Power supply is not supplied (close)
Each brake caliper (fluid pressure) - Pressure decreases