LEMON Manuals: Even more car manuals for everyone: 1960-2025
Home >> Infiniti >> 2010 >> G37 Base, 2D Convertible >> Repair and Diagnosis >> External Pages >> Different car >> Section 88 (Audio Visual System & Navigation System) >> BOSE Audio With Navigation >> Ecu Diagnosis >> Av Control Unit >> Wiring Diagram
April 5, 2026: LEMON Manuals is launched! Read the announcement.

Av Control Unit: Wiring Diagram

WARNING: This page is about a different car, the 2010 Nissan Armada. However, it is still accessible from the selected car via links, so may be relevant.
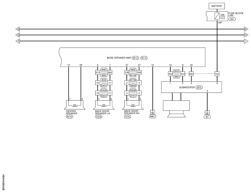
Fig 1: AV Control Unit - Wiring Diagram (1 Of 9)
G06583490Courtesy of NISSAN MOTOR CO., U.S.A.
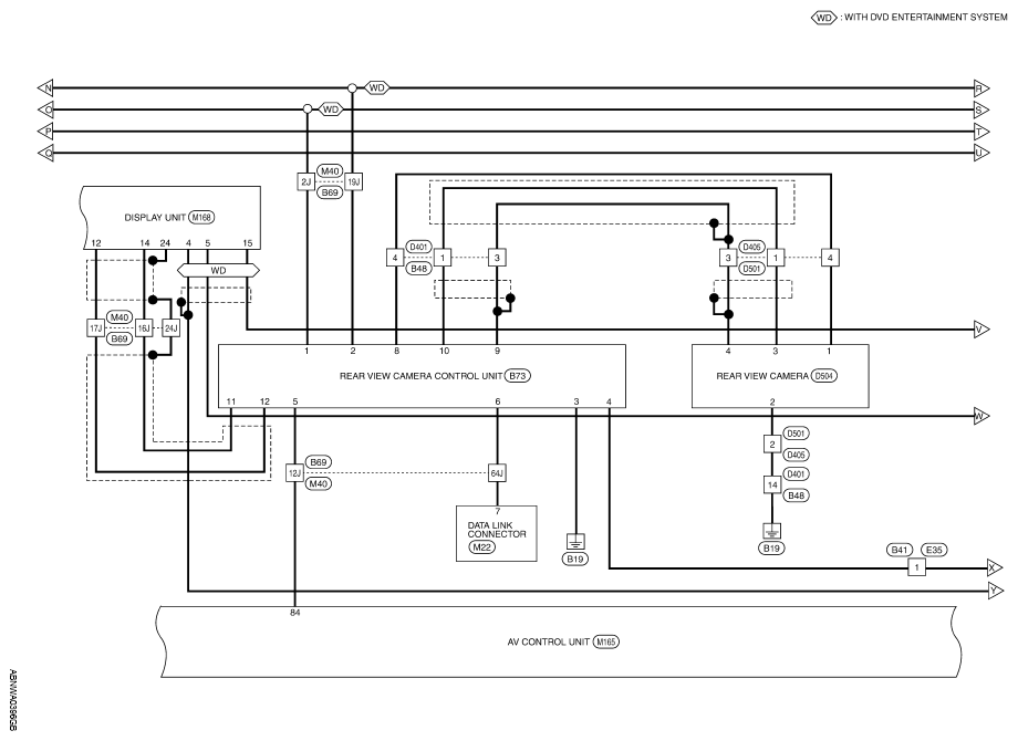
Fig 2: AV Control Unit - Wiring Diagram (2 Of 9)
G06583491Courtesy of NISSAN MOTOR CO., U.S.A.
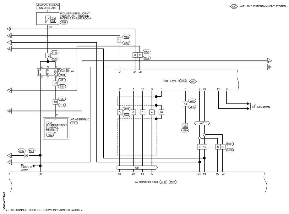
Fig 3: AV Control Unit - Wiring Diagram (3 Of 9)
G06583492Courtesy of NISSAN MOTOR CO., U.S.A.
Fig 4: AV Control Unit - Wiring Diagram (4 Of 9)
G06583493Courtesy of NISSAN MOTOR CO., U.S.A.
Fig 5: AV Control Unit - Wiring Diagram (5 Of 9)
G06583494Courtesy of NISSAN MOTOR CO., U.S.A.
Fig 6: AV Control Unit - Wiring Diagram (6 Of 9)
G06583495Courtesy of NISSAN MOTOR CO., U.S.A.
Fig 7: AV Control Unit - Wiring Diagram (7 Of 9)
G06583496Courtesy of NISSAN MOTOR CO., U.S.A.
Fig 8: AV Control Unit - Wiring Diagram (8 Of 9)
G06583497Courtesy of NISSAN MOTOR CO., U.S.A.
Fig 9: AV Control Unit - Wiring Diagram (9 Of 9)
G06583498Courtesy of NISSAN MOTOR CO., U.S.A.
Fig 10: AV Control Unit Connector Chart (1 Of 20)
G06583499Courtesy of NISSAN MOTOR CO., U.S.A.
Fig 11: AV Control Unit Connector Chart (2 Of 20)
G06583500Courtesy of NISSAN MOTOR CO., U.S.A.
Fig 12: AV Control Unit Connector Chart (3 Of 20)
G06583501Courtesy of NISSAN MOTOR CO., U.S.A.
Fig 13: AV Control Unit Connector Chart (4 Of 20)
G06583502Courtesy of NISSAN MOTOR CO., U.S.A.
Fig 14: AV Control Unit Connector Chart (5 Of 20)
G06583503Courtesy of NISSAN MOTOR CO., U.S.A.
Fig 15: AV Control Unit Connector Chart (6 Of 20)
G06583504Courtesy of NISSAN MOTOR CO., U.S.A.
Fig 16: AV Control Unit Connector Chart (7 Of 20)
G06583505Courtesy of NISSAN MOTOR CO., U.S.A.
Fig 17: AV Control Unit Connector Chart (8 Of 20)
G06583506Courtesy of NISSAN MOTOR CO., U.S.A.
Fig 18: AV Control Unit Connector Chart (9 Of 20)
G06583507Courtesy of NISSAN MOTOR CO., U.S.A.
Fig 19: AV Control Unit Connector Chart (10 Of 20)
G06583508Courtesy of NISSAN MOTOR CO., U.S.A.
Fig 20: AV Control Unit Connector Chart (11 Of 20)
G06583509Courtesy of NISSAN MOTOR CO., U.S.A.
Fig 21: AV Control Unit Connector Chart (12 Of 20)
G06583510Courtesy of NISSAN MOTOR CO., U.S.A.
Fig 22: AV Control Unit Connector Chart (13 Of 20)
G06583511Courtesy of NISSAN MOTOR CO., U.S.A.
Fig 23: AV Control Unit Connector Chart (14 Of 20)
G06583512Courtesy of NISSAN MOTOR CO., U.S.A.
Fig 24: AV Control Unit Connector Chart (15 Of 20)
G06583513Courtesy of NISSAN MOTOR CO., U.S.A.
Fig 25: AV Control Unit Connector Chart (16 Of 20)
G06583514Courtesy of NISSAN MOTOR CO., U.S.A.
Fig 26: AV Control Unit Connector Chart (17 Of 20)
G06583515Courtesy of NISSAN MOTOR CO., U.S.A.
Fig 27: AV Control Unit Connector Chart (18 Of 20)
G06583516Courtesy of NISSAN MOTOR CO., U.S.A.
Fig 28: AV Control Unit Connector Chart (19 Of 20)
G06583517Courtesy of NISSAN MOTOR CO., U.S.A.
Fig 29: AV Control Unit Connector Chart (20 Of 20)
G06583518Courtesy of NISSAN MOTOR CO., U.S.A.