LEMON Manuals: Even more car manuals for everyone: 1960-2025
Home >> Infiniti >> 2010 >> G37 Base, 2D Convertible >> Repair and Diagnosis >> External Pages >> Different car >> Section 96 (Power Window Control System) >> Ecu Diagnosis >> BCM (Body Control Module) >> Wiring Diagram
April 5, 2026: LEMON Manuals is launched! Read the announcement.

BCM (Body Control Module): Wiring Diagram

WARNING: This page is about a different car, the 2010 Nissan Armada. However, it is still accessible from the selected car via links, so may be relevant.
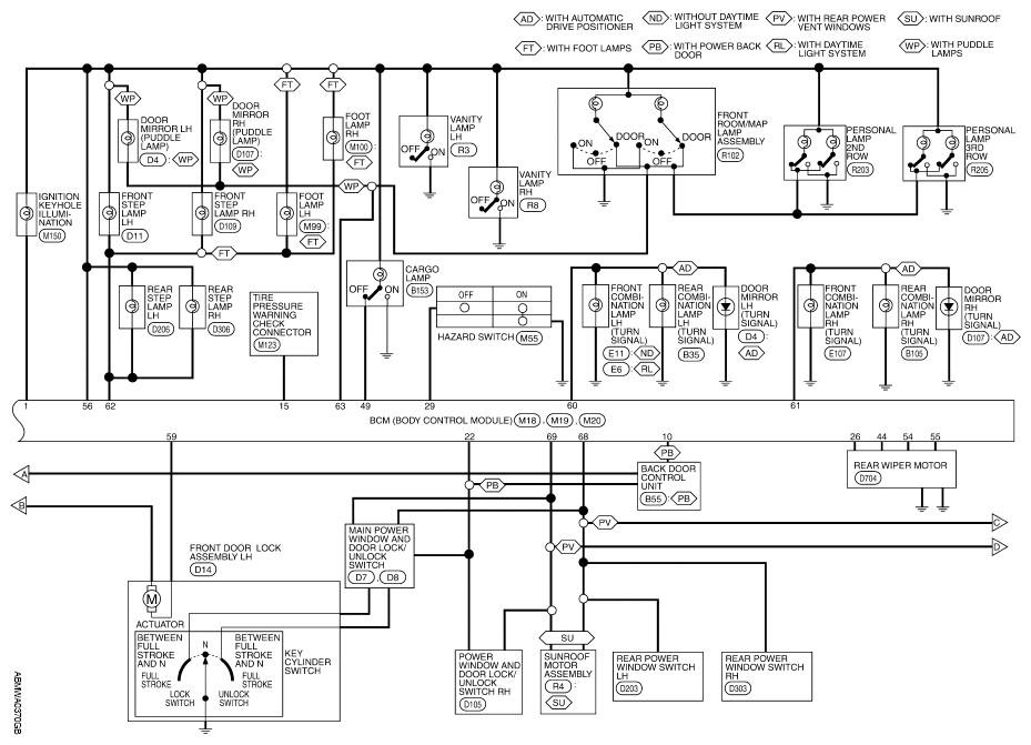
Fig 1: BCM (Body Control Module) - Wiring Diagram (1 Of 3)
G06582102Courtesy of NISSAN MOTOR CO., U.S.A.
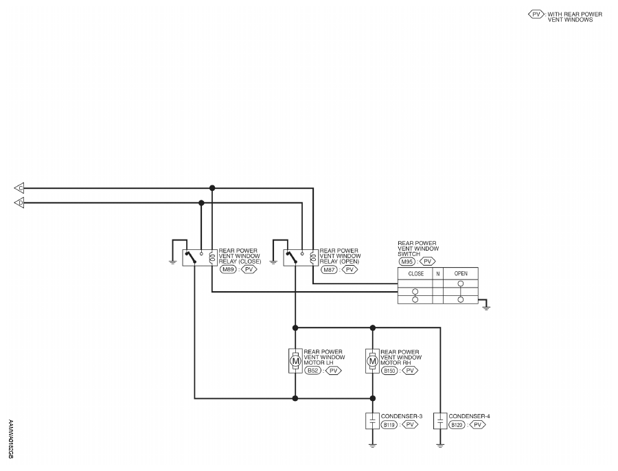
Fig 2: BCM (Body Control Module) - Wiring Diagram (2 Of 3)
G06582103Courtesy of NISSAN MOTOR CO., U.S.A.
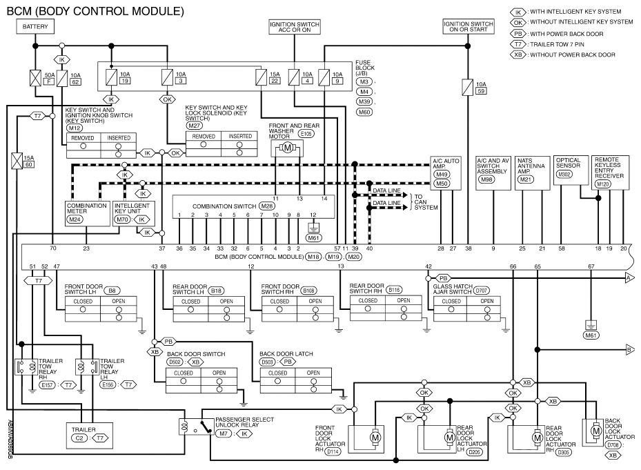
Fig 3: BCM (Body Control Module) - Wiring Diagram (3 Of 3)
G06582104Courtesy of NISSAN MOTOR CO., U.S.A.
Fig 4: Identifying BCM (Body Control Module) Connectors (1 Of 2)
G06582105Courtesy of NISSAN MOTOR CO., U.S.A.
Fig 5: Identifying BCM (Body Control Module) Connectors (2 Of 2)
G06582106Courtesy of NISSAN MOTOR CO., U.S.A.