LEMON Manuals: Even more car manuals for everyone: 1960-2025
Home >> Infiniti >> 2010 >> G37 Base, 2D Coupe >> Repair and Diagnosis >> External Pages >> Different car >> Section 19 (Security Control System (With Intelligent Key System)) >> Ecu Diagnosis >> BCM (Body Control Module) >> Wiring Diagram - VEHICLE SECURITY SYSTEM
April 5, 2026: LEMON Manuals is launched! Read the announcement.

Wiring Diagram - VEHICLE SECURITY SYSTEM

WARNING: This page is about a different car, the 2010 Nissan Armada. However, it is still accessible from the selected car via links, so may be relevant.
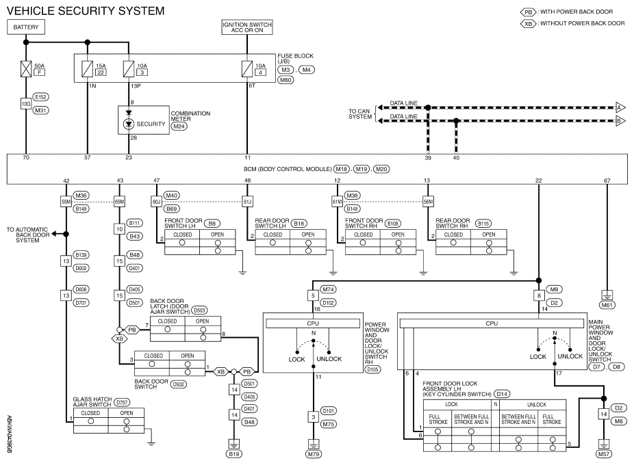
Fig 1: Vehicle Security System - Wiring Diagram (1 Of 2)
G06581410Courtesy of NISSAN MOTOR CO., U.S.A.
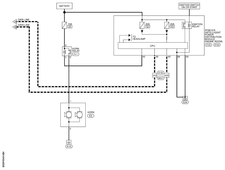
Fig 2: Vehicle Security System - Wiring Diagram (2 Of 2)
G06581411Courtesy of NISSAN MOTOR CO., U.S.A.
Fig 3: Identifying Vehicle Security System Connectors (1 Of 9)
G06581412Courtesy of NISSAN MOTOR CO., U.S.A.
Fig 4: Identifying Vehicle Security System Connectors (2 Of 9)
G06581413Courtesy of NISSAN MOTOR CO., U.S.A.
Fig 5: Identifying Vehicle Security System Connectors (3 Of 9)
G05948619Courtesy of NISSAN MOTOR CO., U.S.A.
Fig 6: Identifying Vehicle Security System Connectors (4 Of 9)
G06581415Courtesy of NISSAN MOTOR CO., U.S.A.
Fig 7: Identifying Vehicle Security System Connectors (5 Of 9)
G05948716Courtesy of NISSAN MOTOR CO., U.S.A.
Fig 8: Identifying Vehicle Security System Connectors (6 Of 9)
G06581417Courtesy of NISSAN MOTOR CO., U.S.A.
Fig 9: Identifying Vehicle Security System Connectors (7 Of 9)
G05948623Courtesy of NISSAN MOTOR CO., U.S.A.
Fig 10: Identifying Vehicle Security System Connectors (8 Of 9)
G05948624Courtesy of NISSAN MOTOR CO., U.S.A.
Fig 11: Identifying Vehicle Security System Connectors (9 Of 9)
G06581420Courtesy of NISSAN MOTOR CO., U.S.A.