LEMON Manuals: Even more car manuals for everyone: 1960-2025
Home >> Infiniti >> 2010 >> G37 Sport, 2D Convertible >> Repair and Diagnosis >> External Pages >> Different car >> Section 265 (Security Control System) >> With Intelligent Key System >> Wiring Diagram >> Security Control System >> Wiring Diagram
April 5, 2026: LEMON Manuals is launched! Read the announcement.

Security Control System: Wiring Diagram

WARNING: This page is about a different car, the 2011 Nissan Juke. However, it is still accessible from the selected car via links, so may be relevant.
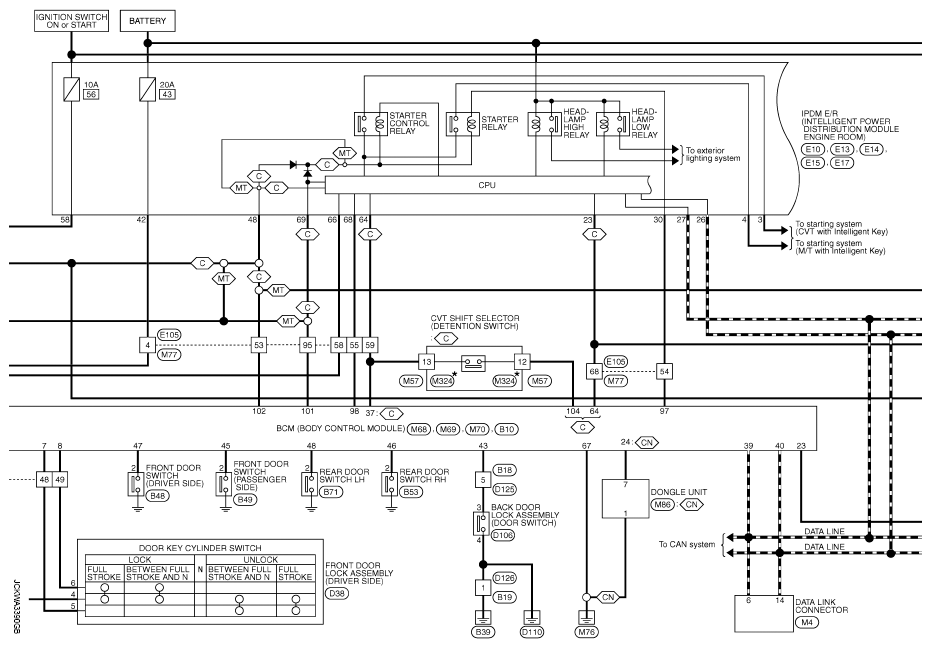
Fig 1: Security Control System (With Intelligent Key System) Wiring Diagram (1 Of 3)
G06936225Courtesy of NISSAN MOTOR CO., U.S.A.
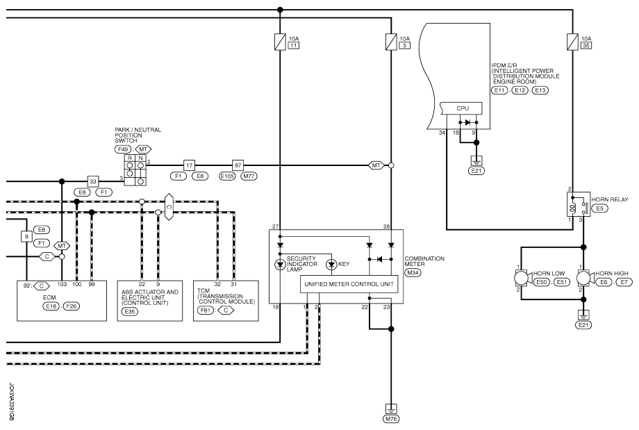
Fig 2: Security Control System (With Intelligent Key System) Wiring Diagram (2 Of 3)
G06936226Courtesy of NISSAN MOTOR CO., U.S.A.
Fig 3: Security Control System (With Intelligent Key System) Wiring Diagram (3 Of 3)
G06936227Courtesy of NISSAN MOTOR CO., U.S.A.
Fig 4: Security Control System (With Intelligent Key System) Connector Terminals Reference Chart (1 Of 10)
G06936228Courtesy of NISSAN MOTOR CO., U.S.A.
Fig 5: Security Control System (With Intelligent Key System) Connector Terminals Reference Chart (2 Of 10)
G06936229Courtesy of NISSAN MOTOR CO., U.S.A.
Fig 6: Security Control System (With Intelligent Key System) Connector Terminals Reference Chart (3 Of 10)
G06936230Courtesy of NISSAN MOTOR CO., U.S.A.
Fig 7: Security Control System (With Intelligent Key System) Connector Terminals Reference Chart (4 Of 10)
G06936231Courtesy of NISSAN MOTOR CO., U.S.A.
Fig 8: Security Control System (With Intelligent Key System) Connector Terminals Reference Chart (5 Of 10)
G06936232Courtesy of NISSAN MOTOR CO., U.S.A.
Fig 9: Security Control System (With Intelligent Key System) Connector Terminals Reference Chart (6 Of 10)
G06936233Courtesy of NISSAN MOTOR CO., U.S.A.
Fig 10: Security Control System (With Intelligent Key System) Connector Terminals Reference Chart (7 Of 10)
G06936234Courtesy of NISSAN MOTOR CO., U.S.A.
Fig 11: Security Control System (With Intelligent Key System) Connector Terminals Reference Chart (8 Of 10)
G06936235Courtesy of NISSAN MOTOR CO., U.S.A.
Fig 12: Security Control System (With Intelligent Key System) Connector Terminals Reference Chart (9 Of 10)
G06936236Courtesy of NISSAN MOTOR CO., U.S.A.
Fig 13: Security Control System (With Intelligent Key System) Connector Terminals Reference Chart (10 Of 10)
G06936237Courtesy of NISSAN MOTOR CO., U.S.A.