LEMON Manuals: Even more car manuals for everyone: 1960-2025
Home >> Infiniti >> 2010 >> M35 Base >> Repair and Diagnosis (Single Page) >> Engine Performance >> System >> Engine Control System - System And Component Testing >> ASCD Indicator >> Wiring Diagram
April 5, 2026: LEMON Manuals is launched! Read the announcement.

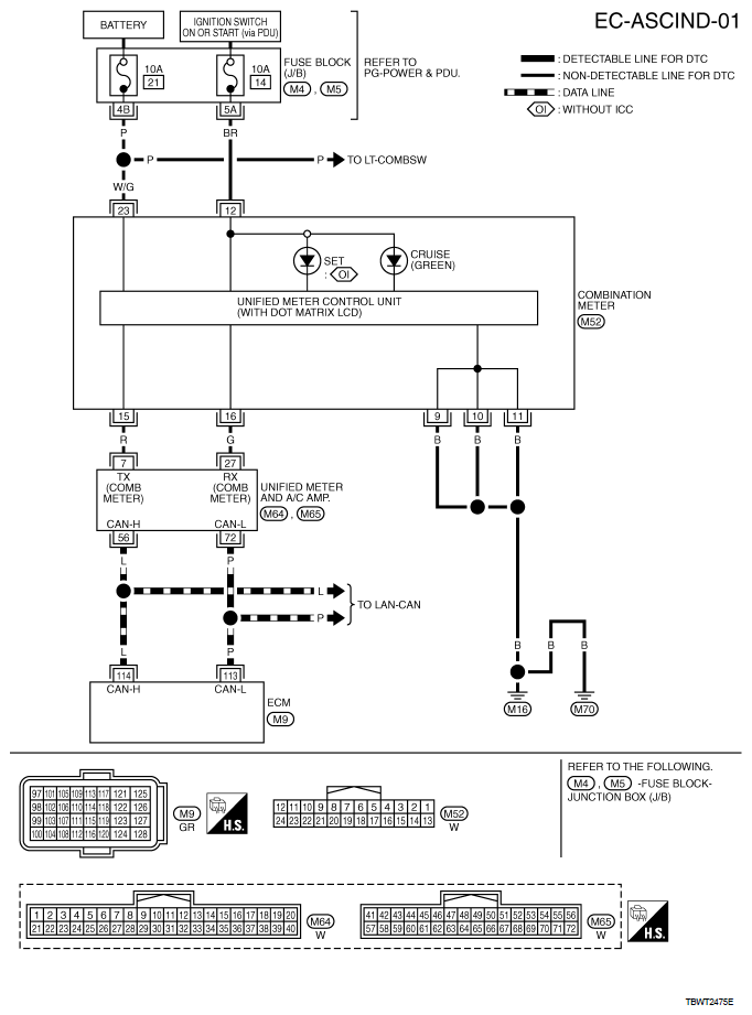
ASCD Indicator: Wiring Diagram

NOTE: For PG-Power, go to POWER SUPPLY, GROUND & CIRCUIT ELEMENTS .
Fig 1: EC-ASCIND-01 - Wiring Diagram
G06306789Courtesy of NISSAN MOTOR CO., U.S.A.