LEMON Manuals: Even more car manuals for everyone: 1960-2025
Home >> Infiniti >> 2010 >> M35 Base >> Repair and Diagnosis (Single Page) >> Engine Performance >> System >> Engine Control System - System And Component Testing >> Malfunction Indicator Lamp >> Wiring Diagram
April 5, 2026: LEMON Manuals is launched! Read the announcement.

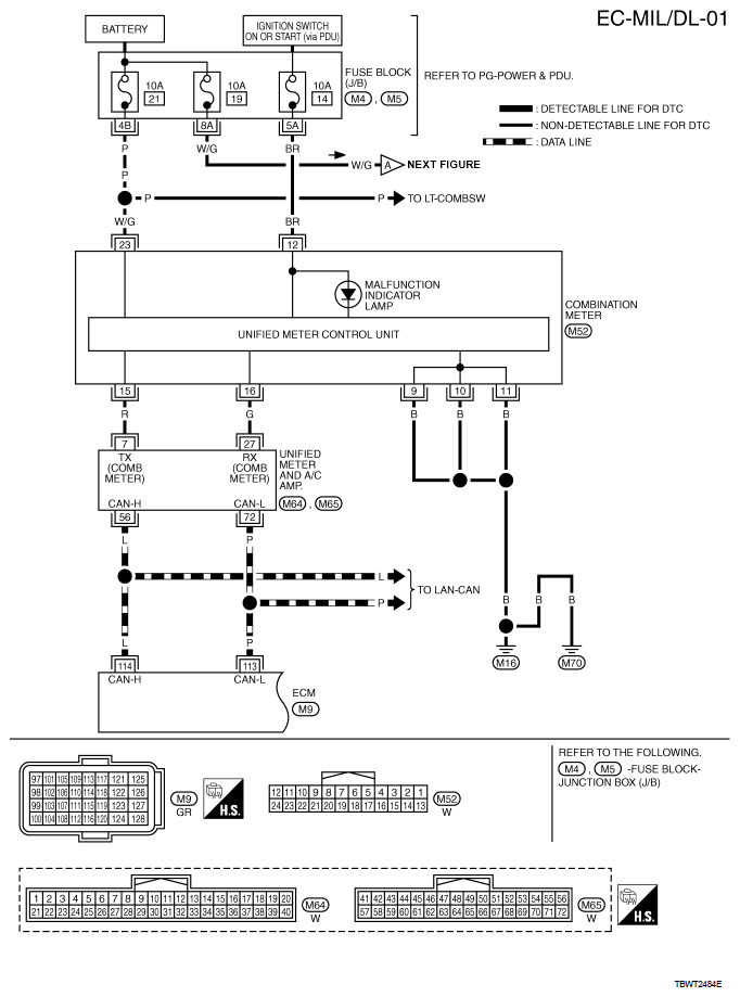
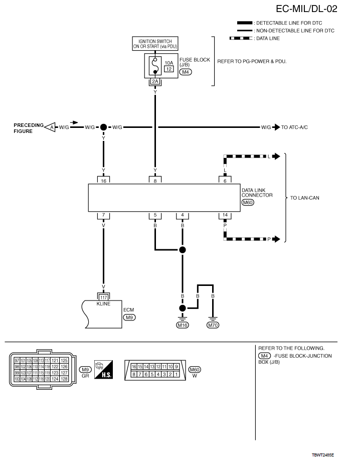
Malfunction Indicator Lamp: Wiring Diagram

NOTE: For PG-Power, go to POWER SUPPLY, GROUND & CIRCUIT ELEMENTS .
Fig 1: EC-MIL/DL-01 - Wiring Diagram
G06306830Courtesy of NISSAN MOTOR CO., U.S.A.
Fig 2: EC-MIL/DL-02 - Wiring Diagram
G06306831Courtesy of NISSAN MOTOR CO., U.S.A.