LEMON Manuals: Even more car manuals for everyone: 1960-2025
Home >> Infiniti >> 2010 >> M35 Base >> Repair and Diagnosis >> Engine Performance >> System >> Engine Control System - DTCS P0130 To P0430 >> DTC P0171, P0174: Fuel Injection System Function >> Wiring Diagram
April 5, 2026: LEMON Manuals is launched! Read the announcement.

DTC P0171, P0174: Fuel Injection System Function: Wiring Diagram

NOTE: For PG-Power, go to POWER SUPPLY, GROUND & CIRCUIT ELEMENTS .
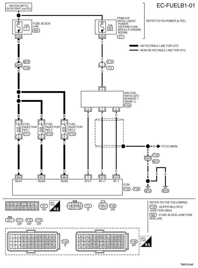
Fig 1: EC-FUELB1-01 - Wiring Diagram
G06306573Courtesy of NISSAN MOTOR CO., U.S.A.
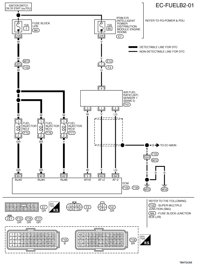
Fig 2: EC-FUELB2-01 - Wiring Diagram
G06306574Courtesy of NISSAN MOTOR CO., U.S.A.