LEMON Manuals: Even more car manuals for everyone: 1960-2025
Home >> Infiniti >> 2010 >> M35 Base >> Repair and Diagnosis >> Engine Performance >> System >> Engine Control System - DTCS P1217 To P2A03 >> DTC P1239, P2135: TP Sensor >> Wiring Diagram
April 5, 2026: LEMON Manuals is launched! Read the announcement.

DTC P1239, P2135: TP Sensor: Wiring Diagram

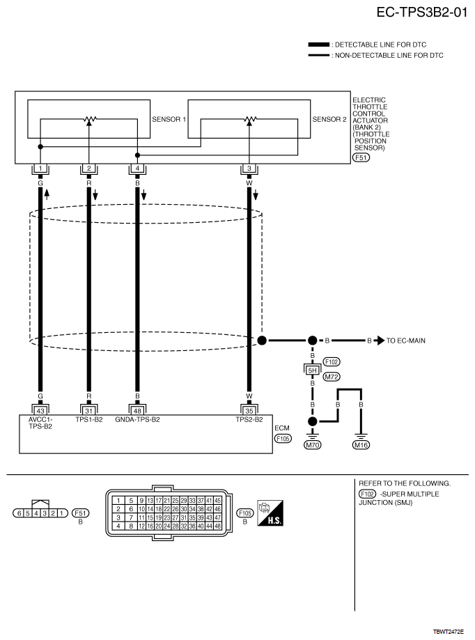
Fig 1: EC-TPS3B1-01 - Wiring Diagram
G06306725Courtesy of NISSAN MOTOR CO., U.S.A.
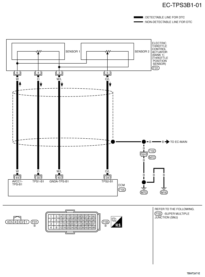
Fig 2: EC-TPS3B2-01 - Wiring Diagram
G06306726Courtesy of NISSAN MOTOR CO., U.S.A.