LEMON Manuals: Even more car manuals for everyone: 1960-2025
Home >> Infiniti >> 2010 >> M35 Base >> Repair and Diagnosis >> External Pages >> Different car >> Section 121 (Lighting System) >> Headlamp (For CANADA) - Daytime Light System - >> Daytime Light Control Does Not Operate Properly (Normal Headlamps Operate Properly)
April 5, 2026: LEMON Manuals is launched! Read the announcement.

Daytime Light Control Does Not Operate Properly (Normal Headlamps Operate Properly)

WARNING: This page is about a different car, the 2008 Infiniti M45 and 2008 Infiniti M35. However, it is still accessible from the selected car via links, so may be relevant.
  1. DAYTIME LIGHT ACTIVE TEST 

    CONSULT-III ACTIVE TEST

    1. Select "DAYTIME RUNNING LIGHT" of BCM (HEAD LAMP) active test item.
    2. With operating the test item, check the daytime light operation.
    3. On : Daytime running light ON 

      Off : Daytime running light OFF 

    OK or NG 

    OK: GO TO 2.

    NG: GO TO  4.

  2. CHECK INPUT SIGNAL 

    CONSULT-III DATA MONITOR

    1. Select "ENGINE RUN" of BCM (HEAD LAMP) data monitor item.
    2. With operating the engine running or stop, check the monitor status.
    3. Engine running : ENGINE RUN ON 

      Engine stop : ENGINE RUN OFF 

    4. Select "PKB SW" of BCM (HEAD LAMP) data monitor item.
    5. With operating the parking brake, check the monitor status.
    6. Parking brake ON : PKB SW ON 

      Parking brake OFF : PKB SW OFF 

    OK or NG 

    OK: GO TO  3.

    NG: Check BCM CAN communication system. Refer to "CAN COMMUNICATION UNIT ".

  3. CHECK INPUT SIGNAL 
    1. Start engine and release parking brake. Headlamp switch OFF.
    2. Select "DTRL REQ" of IPDM E/R data monitor item.
    3. With operating the parking brake, check the monitor status.

      Parking brake ON : DTRL REQ ON 

      Parking brake OFF : DTRL REQ OFF 

    OK or NG 

    OK: Replace IPDM E/R. Refer to "REMOVAL AND INSTALLATION OF IPDM E/R ".

    NG: Replace BCM. Refer to "REMOVAL AND INSTALLATION OF BCM ".

  4. CHECK DAYTIME LIGHT RELAY POWER SUPPLY CIRCUIT 
    1. Turn ignition switch OFF.
    2. Remove daytime light relay.
    3. Check voltage between daytime light relay harness connector and ground.
      TERMINALS VOLTAGE REFERENCE CHART

      Terminals Voltage (Approx.)
      (+) (-)
      Daytime light relay connector Terminal
      E34 2 Ground Battery voltage
      5

    OK or NG 

    OK: GO TO 5.

    NG: Repair harness or connector.

    Fig 1: Checking Voltage Between Daytime Light Relay Harness Connector Terminals 2, 5 And Ground
    G04903623Courtesy of NISSAN MOTOR CO., U.S.A.
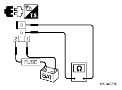
  5. CHECK DAYTIME LIGHT RELAY 

    Check continuity between daytime light relay terminals.

    TERMINALS CONTINUITY REFERENCE CHART

    Daytime light relay terminals Condition Continuity
    3 5 Applying battery voltage to between daytime light relay terminals 1 and 2 Yes
    No battery voltage No

    OK or NG 

    OK: GO TO 6.

    NG: Replace daytime light relay.

    Fig 2: Checking Continuity Between Daytime Light Relay Terminals 3 And 5
    G04903624Courtesy of NISSAN MOTOR CO., U.S.A.
  6. CHECK CIRCUIT BETWEEN DAYTIME LIGHT RELAY AND IPDM E/R 
    1. Disconnect IPDM E/R connector.
    2. Check continuity between IPDM E/R harness connector (A) and daytime light relay harness connector (B).
      TERMINALS CONTINUITY REFERENCE CHART

      A B Continuity
      Connector Terminal Connector Terminal
      E9 58 E34 1 Yes

    OK or NG 

    OK: GO TO 7.

    NG: Repair harness or connector.

    Fig 3: Checking Continuity Between IPDM E/R Terminal And Daytime Light Relay Terminal 1
    G05214506Courtesy of NISSAN MOTOR CO., U.S.A.
  7. CHECK DAYTIME LIGHT RELAY SIGNAL 
    1. Connect IPDM E/R connector.
    2. Install daytime light relay.
    3. Turn ignition switch ON.
    4. Applied parking brake.
    5. Check voltage between IPDM E/R harness connector and ground.
      TERMINALS VOLTAGE REFERENCE CHART

      Terminals Voltage (Approx.)
      (+) (-)
      IPDM E/R connector Terminal
      E9 58 Ground Battery voltage
    6. Start engine and release parking break. Headlamp switch OFF.
    7. Check voltage between IPDM E/R harness connector and ground.
      TERMINALS VOLTAGE REFERENCE CHART

      Terminals Voltage (Approx.)
      (+) (-)
      IPDM E/R connector Terminal
      E9 58 Ground 0 V
      Fig 4: Checking Voltage Between IPDM E/R Harness Connector Terminal 58 And Ground
      G05214507Courtesy of NISSAN MOTOR CO., U.S.A.

    OK or NG 

    OK: Check connecting condition daytime light relay harness connector.

    NG: GO TO  8.

  8. CHECK CAN COMMUNICATIONS 

    CONSULT-III SELF-DIAGNOSIS

    Perform self-diagnosis for "BCM" on CONSULT-III.

    Displayed self-diagnosis results 

    NO DTC >> Replace BCM. Refer to "REMOVAL AND INSTALLATION OF BCM ".

    CAN COMM CIRCUIT >> Check BCM CAN communication system. Refer to "CAN COMMUNICATION UNIT ".