LEMON Manuals: Even more car manuals for everyone: 1960-2025
Home >> Infiniti >> 2010 >> M35 Base >> Repair and Diagnosis >> External Pages >> Different car >> Section 158 (Can Communication System) >> Can Communication System >> Main Body ECU Communication Stop Mode >> Wiring Diagram
April 5, 2026: LEMON Manuals is launched! Read the announcement.

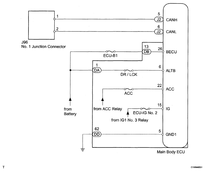
Main Body ECU Communication Stop Mode: Wiring Diagram

WARNING: This page is about a different car, the 2008 Toyota Tundra. However, it is still accessible from the selected car via links, so may be relevant.
Fig 1: Identifying Main Body ECU Communication Stop Mode - Wiring Diagram
G05163448Courtesy of © TOYOTA, LICENSE AGREEMENT TMS1002