LEMON Manuals: Even more car manuals for everyone: 1960-2025
Home >> Infiniti >> 2010 >> M35 Base >> Repair and Diagnosis >> External Pages >> Different car >> Section 160 (Audio, Visual & Navigation System) >> With Mobile Entertainment System >> Ecu Diagnosis >> Av Control Unit >> Schematic - BOSE Audio 2ch System-
April 5, 2026: LEMON Manuals is launched! Read the announcement.

Schematic - BOSE Audio 2ch System-

WARNING: This page is about a different car, the 2008 Infiniti M45 and 2008 Infiniti M35. However, it is still accessible from the selected car via links, so may be relevant.
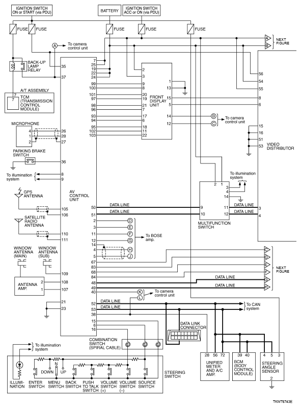
Fig 1: Identifying BOSE Audio 2ch System - Schematic (1 Of 3)
G05722657Courtesy of NISSAN MOTOR CO., U.S.A.
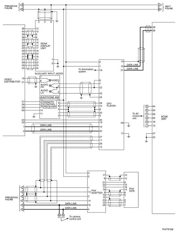
Fig 2: Identifying BOSE Audio 2ch System - Schematic (2 Of 3)
G05722658Courtesy of NISSAN MOTOR CO., U.S.A.
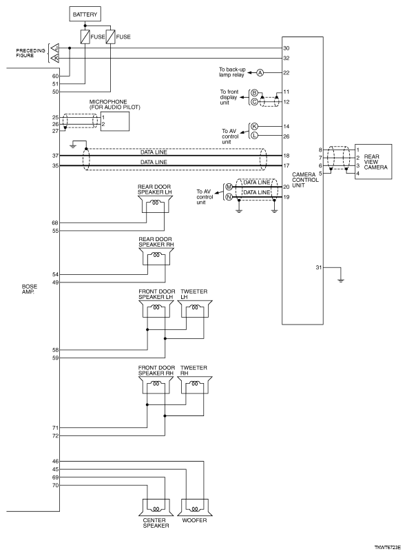
Fig 3: Identifying BOSE Audio 2ch System - Schematic (3 Of 3)
G05722659Courtesy of NISSAN MOTOR CO., U.S.A.