LEMON Manuals: Even more car manuals for everyone: 1960-2025
Home >> Infiniti >> 2010 >> M35 Base >> Repair and Diagnosis >> External Pages >> Different car >> Section 160 (Audio, Visual & Navigation System) >> Without Mobile Entertainment System >> Ecu Diagnosis >> Av Control Unit >> With Navigation >> Schematic - BOSE Surround Audio 5.1ch System
April 5, 2026: LEMON Manuals is launched! Read the announcement.

Schematic - BOSE Surround Audio 5.1ch System

WARNING: This page is about a different car, the 2008 Infiniti M45 and 2008 Infiniti M35. However, it is still accessible from the selected car via links, so may be relevant.
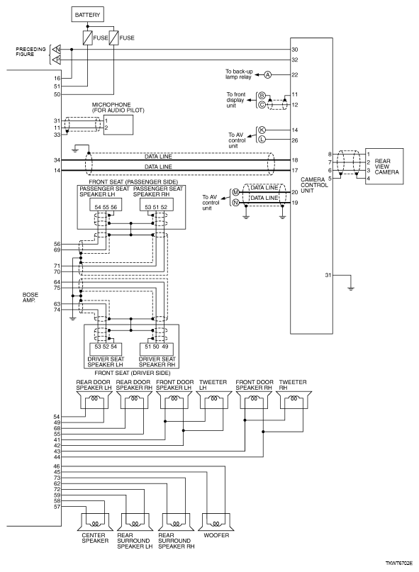
Fig 1: Identifying Bose Surround Audio 5.1ch System (With Navigation) - Schematic (1 Of 3)
G05722175Courtesy of NISSAN MOTOR CO., U.S.A.
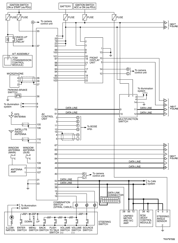
Fig 2: Identifying Bose Surround Audio 5.1ch System (With Navigation) - Schematic (2 Of 3)
G05722176Courtesy of NISSAN MOTOR CO., U.S.A.
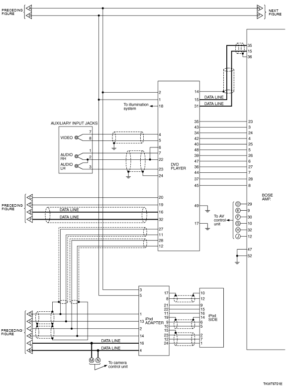
Fig 3: Identifying Bose Surround Audio 5.1ch System (With Navigation) - Schematic (3 Of 3)
G05722177Courtesy of NISSAN MOTOR CO., U.S.A.