LEMON Manuals: Even more car manuals for everyone: 1960-2025
Home >> Infiniti >> 2010 >> M35 Base >> Repair and Diagnosis >> External Pages >> Different car >> Section 160 (Audio, Visual & Navigation System) >> Without Mobile Entertainment System >> Ecu Diagnosis >> Front Display Unit >> Without Navigation >> Schematic - Base Audio System
April 5, 2026: LEMON Manuals is launched! Read the announcement.

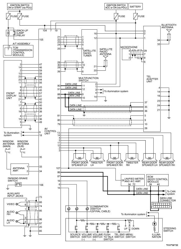
Schematic - Base Audio System

WARNING: This page is about a different car, the 2008 Infiniti M45 and 2008 Infiniti M35. However, it is still accessible from the selected car via links, so may be relevant.
Fig 1: Identifying Base Audio System (Without Navigation) - Schematic
G05722208Courtesy of NISSAN MOTOR CO., U.S.A.