LEMON Manuals: Even more car manuals for everyone: 1960-2025
Home >> Infiniti >> 2010 >> M35 x >> Repair and Diagnosis (Single Page) >> Accessories & Equipment >> Entertainment Systems >> Audio-Visual System (Without Mobile Entertainment System) >> Ecu Diagnosis >> Av Control Unit >> WITHOUT NAVIGATION : Schematic - Base Audio System - >> Notes
April 5, 2026: LEMON Manuals is launched! Read the announcement.

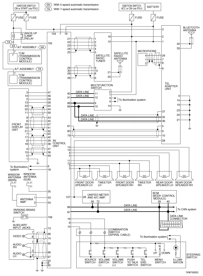
WITHOUT NAVIGATION : Schematic - Base Audio System -: Notes

Fig 1: Base Audio System Schematic Diagram (Without Navigation)
G06308562Courtesy of NISSAN MOTOR CO., U.S.A.