LEMON Manuals: Even more car manuals for everyone: 1960-2025
Home >> Infiniti >> 2010 >> M35 x >> Repair and Diagnosis (Single Page) >> Accessories & Equipment >> Entertainment Systems >> Audio-Visual System (Without Mobile Entertainment System) >> Function Diagnosis >> Multi Av System >> Without Navigation >> WITHOUT NAVIGATION : System Diagram
April 5, 2026: LEMON Manuals is launched! Read the announcement.

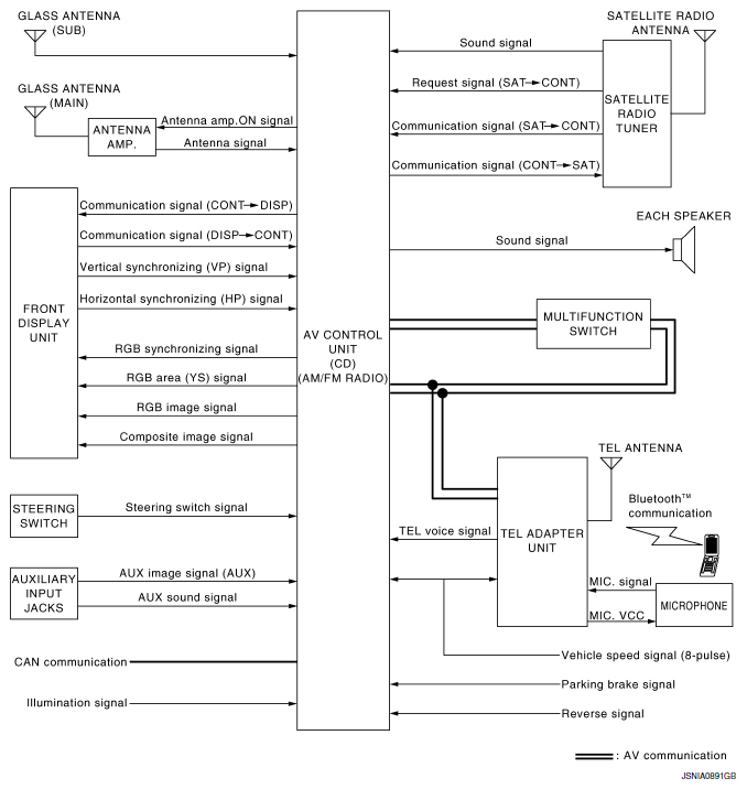
WITHOUT NAVIGATION : System Diagram

Fig 1: Multi AV System - System Diagram (Without Navigation)
G06308432Courtesy of NISSAN MOTOR CO., U.S.A.
NOTE: The name MULTIFUNCTION SWITCH indicates the integration of PRESET SWITCH and MULTIFUNCTION SWITCH virtually.